EasyManua.ls Logo

Wintriss Shadow 8 - Figure 1-2. Shadow 8 Main and Extension Heads

Default Icon
159 pages
Print Icon
To Next Page IconTo Next Page
To Next Page IconTo Next Page
To Previous Page IconTo Previous Page
To Previous Page IconTo Previous Page
Loading...
1139300 Shadow 8 User Manual
1-4 Introduction
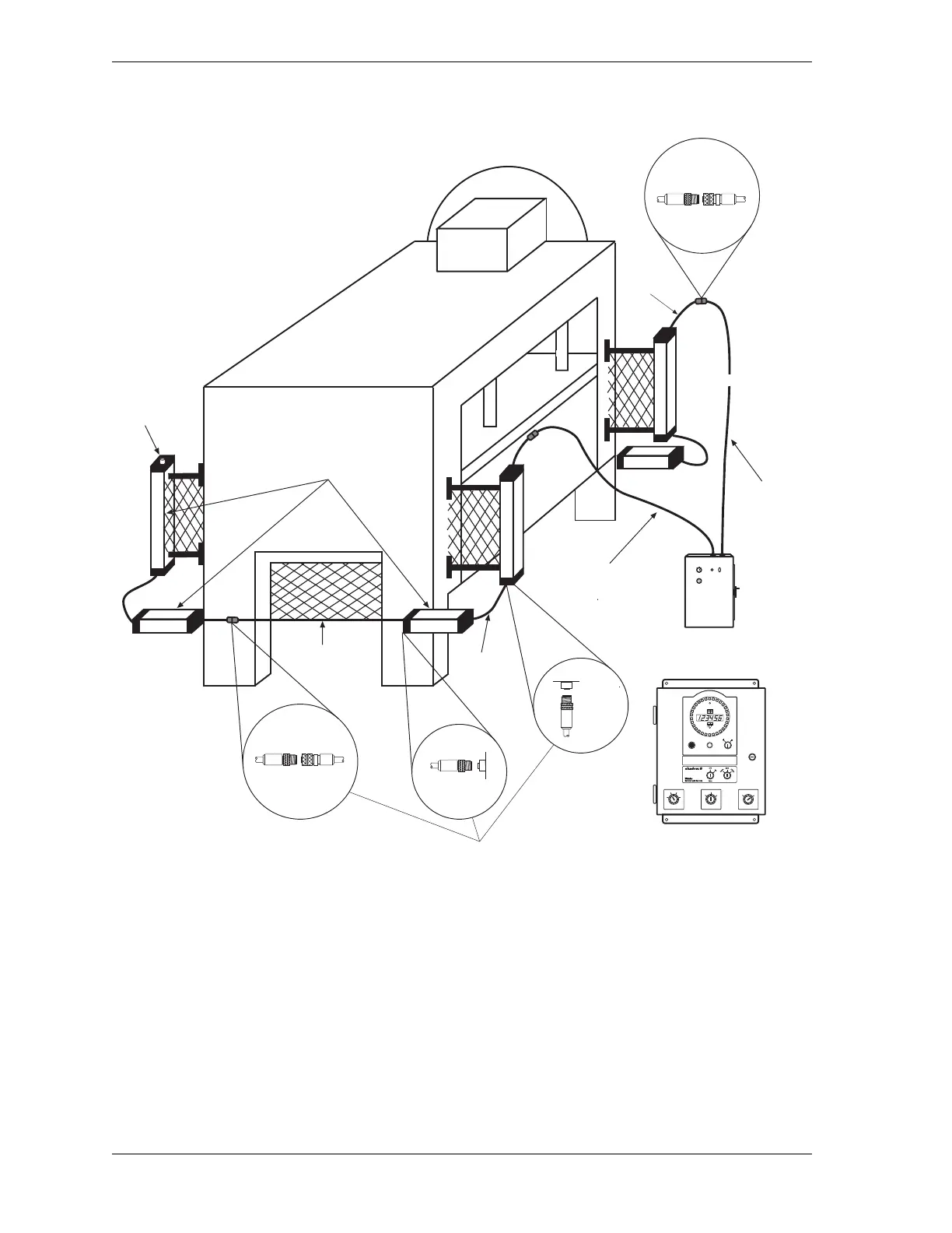
Figure 1-2. Shadow 8 Main and Extension Heads
7 pigtail
Shadow 8 control
Main transmitter
Main receiver
Extension transmitters
Extension receiver
End cap
Female
Male
FemaleMale
FemaleMale
Male Female
Quick-disconnects
Quick-disconnects
Interconnect cable
Transmitter cable
Receiver cable
7 pigtail
P
R
O
G
R
U
N
S
T
A
R
T
OSSD 1
OSSD 2
POWER
STROKE SELECT
O
F
F
I
N
C
H
S
I
N
G
L
E
C
O
N
T
MODE SELECT
1
H
A
N
D
2
H
A
N
D
F
O
O
T
MICRO-INCH
O
F
F
O
N
BRAKE WARNING
INTERRUPTED STROKE
TOP STOP ANGLE
AUTO CARRYUP
STOP TIME LIMIT
MICRO-INCH
STOPPING TIME
STOPPING ANGLE
90
° STOP TEST
COUNTER
COUNTER PRESET
ANGLE / SPM
cam on angle
cam off angle
WPC 2000
Honeywell
Wintriss
®
Clutch/Brake Control
WPC SETTINGSRESET/SELECT MUTE
New Wintriss Clutch/Brake
Control
or
O
F
F
P
R
O
G
O
N

Table of Contents