EasyManua.ls Logo

Yamaha 01V - Page 35

Yamaha 01V
315 pages
Print Icon
To Next Page IconTo Next Page
To Next Page IconTo Next Page
To Previous Page IconTo Previous Page
To Previous Page IconTo Previous Page
Loading...
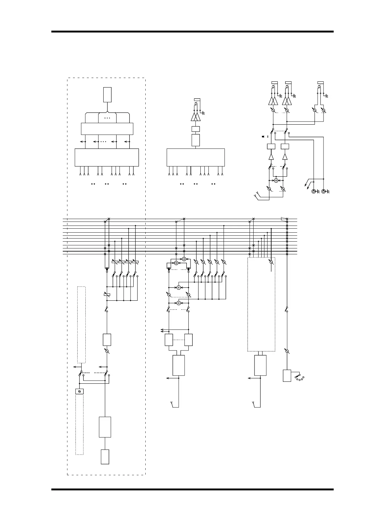
Block Diagram 25
01V—Owner’s Manual
from
MONI
from
OMNI
1-4
OUT
DA
Delay
BUS 1
BUS 4
AUX 1
AUX 4
CH 1
CH 2
CH 15
STEREO L
STEREO R
CH 16
from
BUS 1
BUS 4
AUX 1
AUX 4
CH 1
CH 2
CH 15
STEREO L
STEREO R
CH 16
OMNI OUT
Select
MONITOR
LEVEL
LEVEL
OSC
Meter
PAN*
*PAN: INDIVIDUAL/GANG/INV. GANG
MONI
TRIM
MONO
Same as Effect 1
Waveform
ON
ON
EFF RTN
Rotary
CH Fader
AUX1
AUX1
AUX2
AUX3
AUX4
EFF2
EFF1
AUX2
EFF1
EFF2
AUX/EFF
PRE/POST
AUX/EFF
PRE/POST
OUT
MONITOR
2TR IN
to INPUT 15, 16
2TR IN
R
L
DA
DA
LEVEL
from EFF2
from EFF1
Internal
Effect 1
Internal
Effect 2
Meter
Meter
4-Band
PEQ
4-Band
PEQ
PHONES
R
L
RL
STEFFAUX
121234
BUS
4321
10kHz
1kHz
100Hz
BURST
PINK
Option I/O
OUT
Option I/O
IN
Option
I/O
Dither
Meter
Meter
Meter
Option I/O
Output
Select
Meter
1-8
PAN
2-Band
PEQ
ATT
De-emphasis
or DC Cut
17-24
1-8
Unchanged
Meter
ON
Meter
SWAP
INPUT
(BAL)
Unchanged
This section is available only when
an optional Option I/O card is installed.

Table of Contents

Related product manuals