EasyManua.ls Logo

Yamaha 01V - Block Diagram

Yamaha 01V
315 pages
Print Icon
To Next Page IconTo Next Page
To Next Page IconTo Next Page
To Previous Page IconTo Previous Page
To Previous Page IconTo Previous Page
Loading...
24 Chapter 3—Touring the 01V
01V—Owner’s Manual
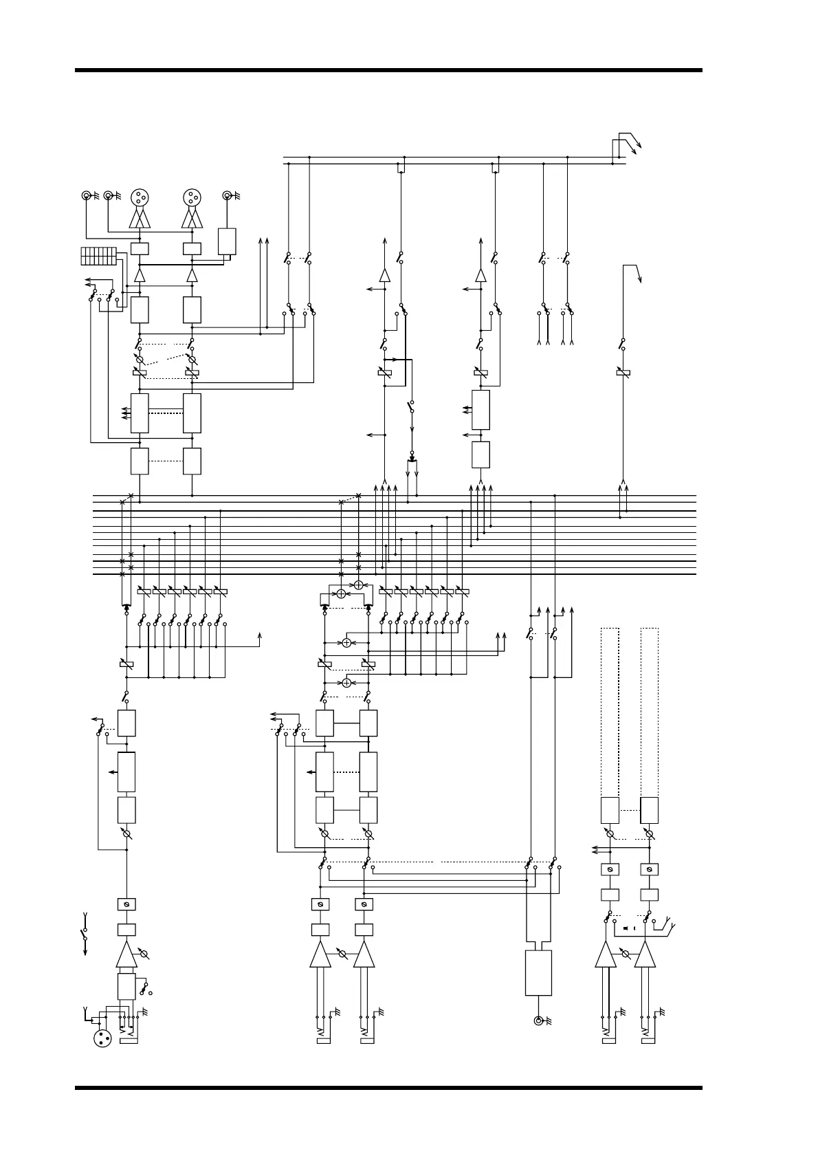
Block Diagram
to
MONITOR
LR
MONI
STEREO OUT
LISTEN
LISTEN
LISTEN
LISTEN
1-4
1-4
AUX
BUS
Meter
Same as INPUT 14
Same as INPUT 13
16
15
AD
HA
GAIN
AD
HA
INPUT
(BAL)
ON
OUTPUT
SELECT
to
1-4
TO ST
2TR OUT
Meter
BUS
master fader
AUX
master fader
Meter
ON
1-4
to
SELECT
OUTPUT
OUTPUT
SELECT
to
OUTPUT
SELECT
to
INPUT
(BAL)
1-12
14
13
7-12
1-6,
to
(BAL)
INPUT
to
SELECT
OUTPUT
PAN*
*PAN: INDIVIDUAL/GANG/INV. GANG
ATT
ATT
Meter
Meter
ST CASCADE IN
ON/OFF
FLIP
ON
ON
ON
ON
CH Fader
CH Fader
AUX1
AUX1
EFF1
EFF2
AUX2
AUX3
AUX4
EFF1
EFF2
AUX/EFF
PRE/POST
AUX/EFF
PRE/POST
Meter
Meter
Meter
Meter
BALANCE
to INTERNAL
EFFECT 1, 2
+48V
DIGITAL
STEREO
IN
DIGITAL
STEREO
IN
L
R
R
L
Dither
RL
ST
DA
Dynamics
Delay
Dynamics
Dynamics
Delay
DA
4-Band
PEQ
4-Band
PEQ
4-Band
PEQ
Meter
PAN
from 2TR IN
EFF
De-emphasis
4-Band
PEQ
4-Band
PEQ
4-Band
PEQ
4-Band
PEQ
HA AD
GAIN
HA AD
AUX
121234
BUS
Dynamics
PEQ
4-Band
Delay
Dynamics
Delay
Dynamics
Delay
AD
26dB
Pad
PHANTOM
4321
PAN
HA
GAIN
OUT
STEREO
15/16
2TR IN
ATT
Meter
Meter
to MONI
to MONI
Effect send 1/2
master fader
from
AUX2
AUX3
AUX4
DIGITAL
STEREO
OUT

Table of Contents

Related product manuals