EasyManua.ls Logo

Yamaha 01V - Input Channel Block Diagram

Yamaha 01V
315 pages
Print Icon
To Next Page IconTo Next Page
To Next Page IconTo Next Page
To Previous Page IconTo Previous Page
To Previous Page IconTo Previous Page
Loading...
60 Chapter 5—Input Channels
01V—Owner’s Manual
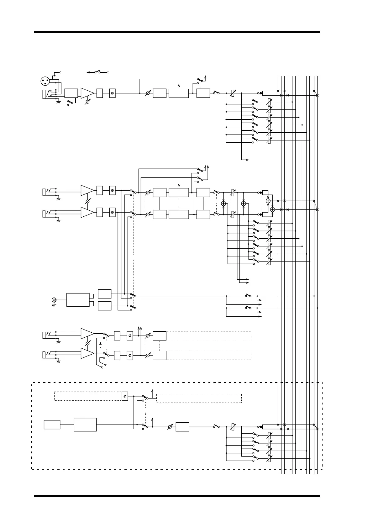
Input Channel Block Diagram
Meter
Same as INPUT 14
Same as INPUT 13
16
15
AD
HA
GAIN
AD
HA
INPUT
(BAL)
OUTPUT
SELECT
to
INPUT
(BAL)
1-12
Pad
Pad
14
13
7-12
1-6,
to
(BAL)
INPUT
to
SELECT
OUTPUT
PAN*
*PAN: INDIVIDUAL/GANG/INV. GANG
ATT
ATT
Meter
ON/OFF
FLIP
ON
ON
CH Fader
CH Fader
AUX1
AUX1
AUX2
AUX3
AUX4
EFF1
EFF2
AUX2
AUX3
AUX4
EFF1
EFF2
AUX/EFF
PRE/POST
AUX/EFF
PRE/POST
Meter
Meter
+48V
DIGITAL
STEREO
IN
RL
ST
from 2TR IN
EFF
De-emphasis
4-Band
PEQ
4-Band
PEQ
4-Band
PEQ
4-Band
PEQ
HA AD
GAIN
HA AD
AUX
121234
BUS
Dynamics
PEQ
4-Band
Delay
Dynamics
Delay
Dynamics
Delay
AD
26dB
Pad
PHANTOM
4321
PAN
HA
GAIN
15/16
2TR IN
ATT
Meter
to MONI
to MONI
CH Fader
AUX1
AUX2
EFF1
EFF2
AUX/EFF
PRE/POST
Option I/O
IN
PAN
2-Band
PEQ
ATT
De-emphasis
or DC Cut
17-24
1-8
Unchanged
Meter
ON
Meter
SWAP
INPUT
(BAL)
Unchanged
Thissectionisavailableonlywhen
anoptionalOptionI/Ocardisinstalled.

Table of Contents

Related product manuals