EasyManua.ls Logo

Yamaha F80 - Page 65

Yamaha F80
497 pages
Print Icon
To Next Page IconTo Next Page
To Next Page IconTo Next Page
To Previous Page IconTo Previous Page
To Previous Page IconTo Previous Page
Loading...
2-2
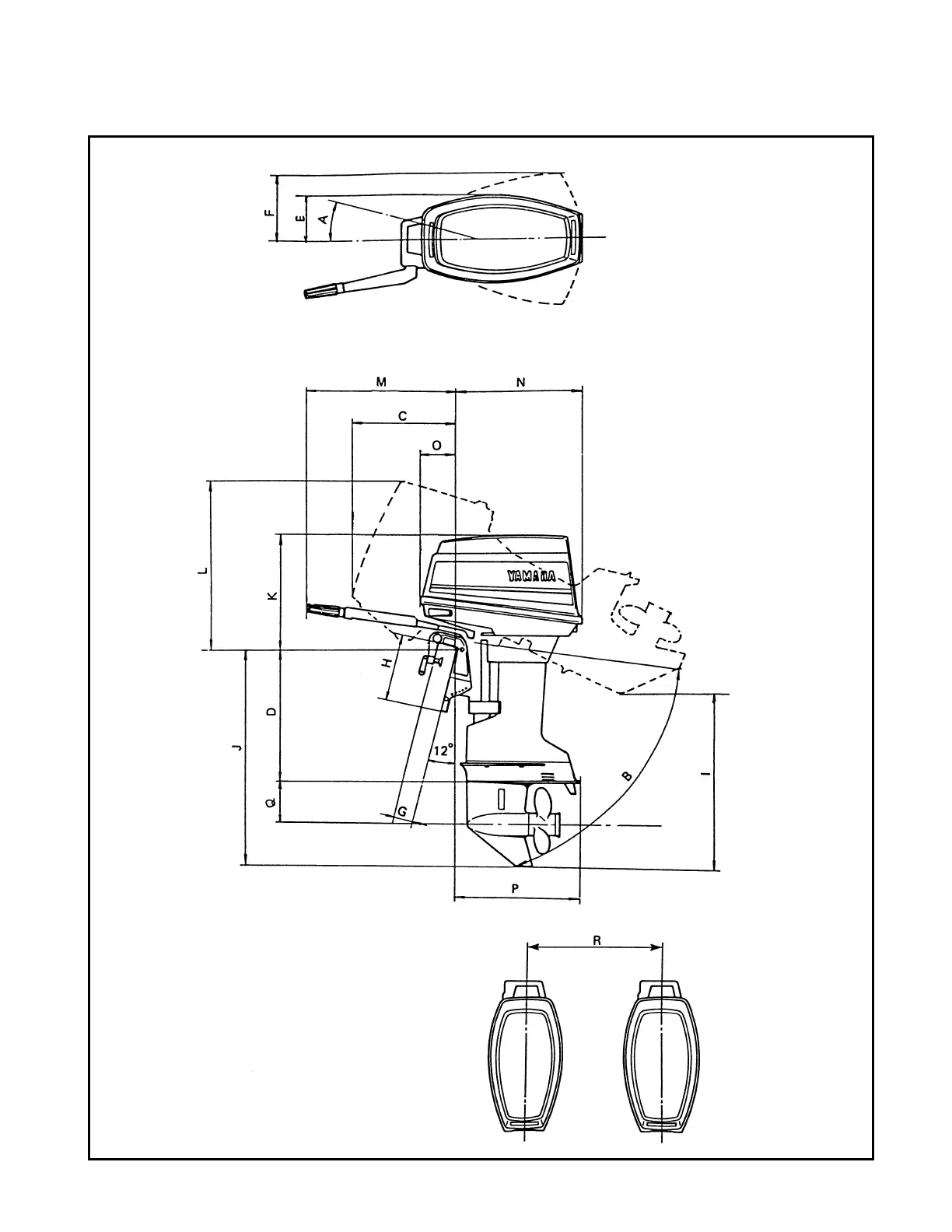
Outboard Rigging Guide - 2001 Engine Mounting Dimensions

Table of Contents

Other manuals for Yamaha F80

Related product manuals