EasyManua.ls Logo

Yamaha F80B - Page 128

Yamaha F80B
249 pages
Print Icon
To Next Page IconTo Next Page
To Next Page IconTo Next Page
To Previous Page IconTo Previous Page
To Previous Page IconTo Previous Page
Loading...
LOWR
Lower unit
6-5
6D93G11
6
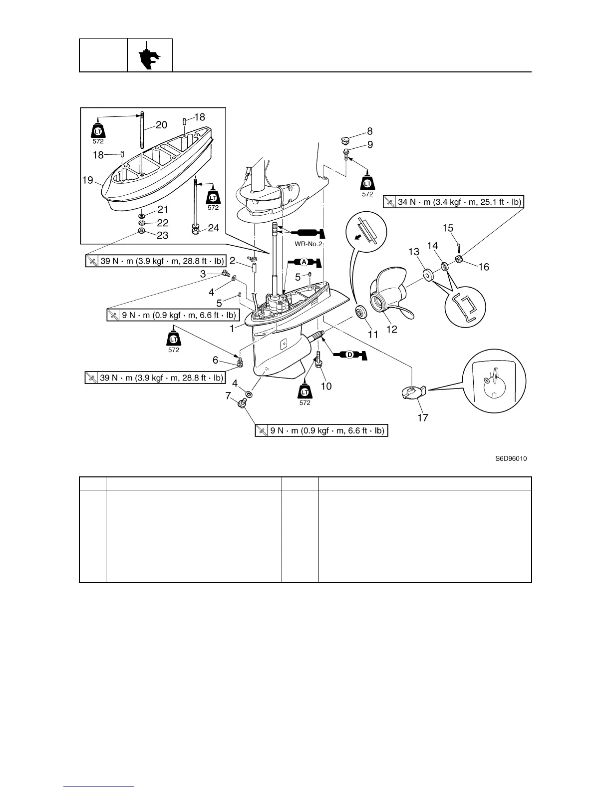
No. Part name Qty Remarks
18 Dowel 2 X-transom model
19 Extension 1 X-transom model
20 Stud bolt 4 M10
×
180 mm/X-transom model
21 Washer 4 X-transom model
22 Spring washer 4 X-transom model
23 Nut 4 X-transom model
24 Bolt 1 M8
×
190 mm/X-transom model

Table of Contents

Other manuals for Yamaha F80B

Related product manuals