EasyManua.ls Logo

Yanmar 6BY2 - Cylinder Block and Crankshaft; Components

Yanmar 6BY2
248 pages
Print Icon
To Next Page IconTo Next Page
To Next Page IconTo Next Page
To Previous Page IconTo Previous Page
To Previous Page IconTo Previous Page
Loading...
ENGINE
Cylinder Block and Crankshaft
5-56 BY Service Manual
© 2009 Yanmar Marine International
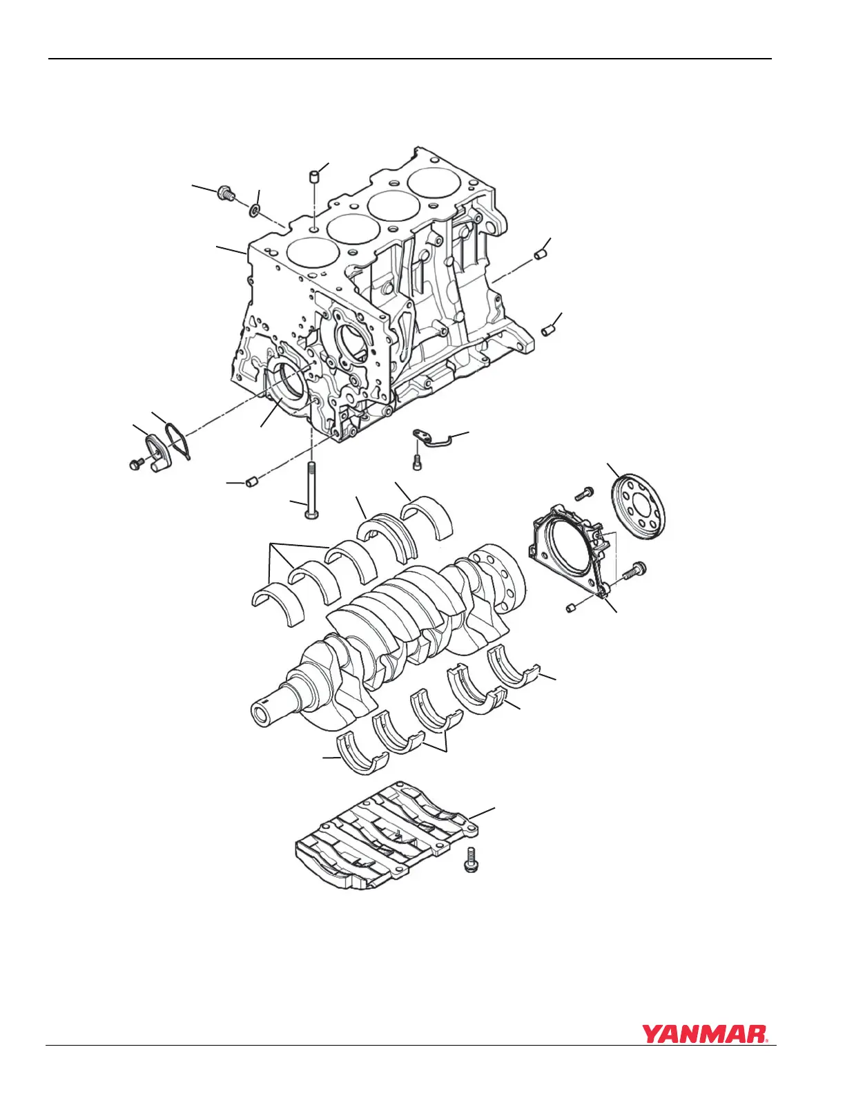
CYLINDER BLOCK AND CRANKSHAFT
Components
Figure 5-105
Figure 5-105
0004029
(1)
(2)
(3)
(4)
(5)
(5)
(6)
(13)
(12)
(12)
(14)
(15)
(16)
(17)
(7)
(8)
(9)
(10)
(11)
(9)
(9)
(18)

Table of Contents

Other manuals for Yanmar 6BY2

Related product manuals