EasyManua.ls Logo

Yanmar 6BY2 - Engine Control Unit (ECU) Assignments

Yanmar 6BY2
248 pages
Print Icon
To Next Page IconTo Next Page
To Next Page IconTo Next Page
To Previous Page IconTo Previous Page
To Previous Page IconTo Previous Page
Loading...
ELECTRICAL AND ECU
Function Description - Engine Management System
12-10 BY Service Manual
© 2009 Yanmar Marine International
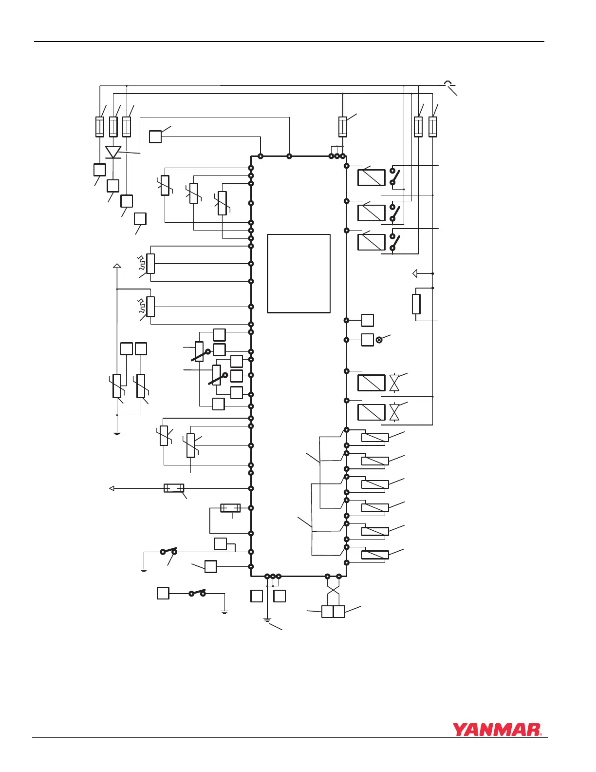
Engine Control Unit (ECU) Assignments
Figure 12-5
Figure 12-5
BOSCH
EDC16
DDE 5
p
K1
K3
K2
ZME
F4
F5F3
p
p
ϑ
ϑ
ϑ
F1
F2
X1/B
X1/F
X1/L
X1/N
X1/O
X1/K
X1/P
X1/M
X1/A
X1/W X1/V
X1/S X1/T
X1/E
X1/D
KL15 KL87
KL31
F6
182
157
132
154
107
106
180
139
187
115
162
114
243
252
256
239
229
230
250
238
183
111
130
156
178
208
202 204 206 233 246
173
149
151
175
103
127
150
174
102
126
101
125
171
172
245
220
232
234
207
201 203 205
KL50
X1/C
224
DRV
124
X1/R
X1/U
X1/G
251
211
KL87
X1/H
F
7
F
8
X1/Q
X1/J
0003303
(2)
(3)
(
5
)(
4
)
(6)
(44)
(43)
(42)
(7)
(8)
(9)
(11)
(15)
(13)
(14)
(16)
(54)
(12)
(1)
(48)
(46)
(45)
(16)
(41)
(47)
(40)
(37)
(36)
(39)
(38)
(35)
(33)
(32)
(31)
(30)
(29)
(28)
(27)
(26)
(25)
(24)
(23)
(22)
(21)
(20)
(19)
(18)
(10)
(49)
(34)
B+
(50)
(51)
(53)
(52)

Table of Contents

Other manuals for Yanmar 6BY2

Related product manuals