EasyManua.ls Logo

Yanmar 6BY2 - Page 28

Yanmar 6BY2
248 pages
Print Icon
To Next Page IconTo Next Page
To Next Page IconTo Next Page
To Previous Page IconTo Previous Page
To Previous Page IconTo Previous Page
Loading...
GENERAL SERVICE INFORMATION
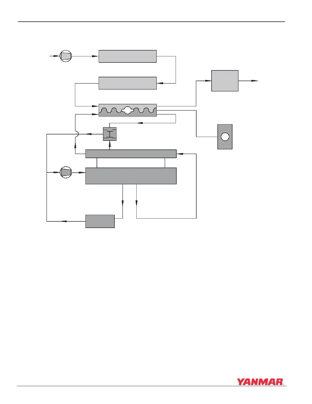
Engine Piping Diagrams
3-10 BY Service Manual
© 2009 Yanmar Marine International
Figure 3-7Cooling Flow
Figure 3-7
Note: Typical 4BY2 engine shown. 6BY2 is similar.
1 Seawater Supply
2 Seawater Pump
3 Hydraulic Oil Cooler
4 Charge Air Cooler
5 Engine Heat Exchanger
6 Exhaust Seawater Mixing Elbow
7 Exhaust / Seawater Exit
8 Engine Coolant Pump
9 Thermostat
10 Engine Oil Cooler
11 Engine Coolant Passages
12 Coolant Recovery Tank
13 Water Cooled Exhaust Manifold
(2)
(1)
(3)
(4)
(5)
(6)
(7)
(12)
(13)
(9)
(8)
(10)
(11)
0006511

Table of Contents

Other manuals for Yanmar 6BY2

Related product manuals