EasyManua.ls Logo

YASKAWA iQpump Micro - Install the 24 V Transducer Power Supply (continued); Connect Transducer Wiring and Set DIP Switch; Parameter H3-09 Details

YASKAWA iQpump Micro
32 pages
Print Icon
To Next Page IconTo Next Page
To Next Page IconTo Next Page
To Previous Page IconTo Previous Page
To Previous Page IconTo Previous Page
Loading...
YASKAWA TOEP YAIQPM 01A iQpump Micro Quick Start Procedure
iQpump Micro
Quick Start Procedure
Page 14
of 31
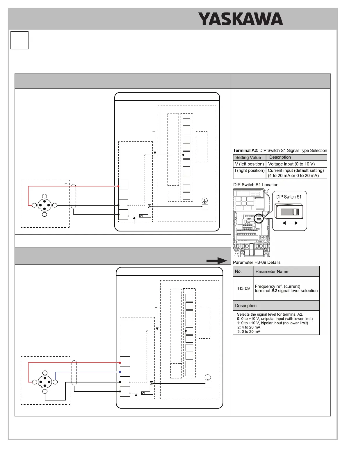
5.17 Connect wiring from customer-supplied transducer to 24V Power Supply.
Refer to Figure 1.6 Transducer (2-Wire) connection or Figure 1.7 Transducer (3-Wire) connection based on the application.
Figure 1.6 (2-Wire) 4 to 20 mA Transducer
Setting DIP Switch S1 for
Terminal A2 Signal Type Selection
Signal Wire (white)
24 V PSU to Drive
A2
24V
AC
FE
24V Power Supply
Shield
SIG
FE
Functional Earth Cable
(Blue)
J2
24V Power Supply
Transducer
Signal 4-20 mA
(typical)
CN1
Terminal
Block
TB1-2
TB1-1
TB2
TB1-3
EG
A2
A1
PC
P2
V+
AM
AC
MP
AC
P1
iQpump Micro Drive
(Earth
Ground)
Internal Circuit
Internal Circuit
iQpump Micro Drive
I/O Terminals
2
4
3
1
N/C
N/C
V+
Output
Example:
Customer supplied
pressure transducer
feedback device
(2-Wire)
Note: Transducer wire colors and numbering may vary depending on feedback device used, consult feedback device
manual.
Figure 1.7 (3-Wire) 0 to 10 V Transducer
Note: Set DIP switch S1 located on drive to V position for use with 0 to 10V transducer.
Signal Wire (white)
24 V PSU to Drive
A2
24V
AC
FE
24V Power Supply
Shield
FE
Functional Earth Cable
(Blue)
J2
24V Power Supply
Transducer
Signal 0-10 Vdc
(typical)
CN1
Terminal
Block
Example:
Customer supplied
pressure transducer
feedback device
(3-Wire)
TB1-2
TB1-1
TB2
TB1-3
EG
A2
A1
PC
P2
V+
AM
AC
MP
AC
P1
iQpump Micro Drive
(Earth
Ground)
Internal Circuit
Internal Circuit
iQpump Micro Drive
I/O Terminals
Supply Common
2
4
3
1
N/C
V+
Output
Com
+
Note: Refer to the iQpump Micro User Manual, (No. TOEPYAIQPM03) to program the iQpump Micro drive for network communication if
required.
Install the 24 V Transducer Power Supply (continued)
5
STEP

Other manuals for YASKAWA iQpump Micro

Related product manuals