EasyManua.ls Logo

YASKAWA L1000A - Control I;O Configuration

YASKAWA L1000A
247 pages
Print Icon
To Next Page IconTo Next Page
To Next Page IconTo Next Page
To Previous Page IconTo Previous Page
To Previous Page IconTo Previous Page
Loading...
3 Electrical Installation
54 YASKAWA ELECTRIC TOEP C710616 38H YASKAWA AC Drive-L1000A Quick Start Guide
Control I/O Configuration
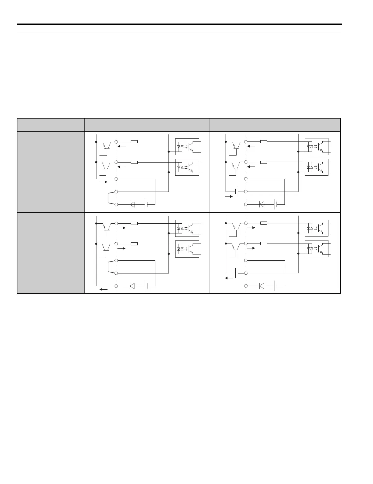
Setting Sink/Source with Input Terminals SN and SP
Note: Terminals H1, H2, DM+, and DM- on 600 V class models are designed to the functionality, but are not certified to IEC/EN
61800-5-2, ISO/EN 13849 Cat.3, IEC/EN 61508 SIL2, Insulation coordination: class 1.
Use the wire jumper between terminals SC and SP or SC and SN to select between Sink mode, Source mode or external
power supply for the digital inputs S1 to S8 as shown in Table 19 (Default: Sink mode, internal power supply).
NOTICE: Damage to Equipment. Do not short terminals SP and SN. Failure to comply will damage the drive.
Table 19 Digital Input Sink / Source / External Power Supply Selection
Drive Internal Power Supply (Terminal SN and
SP)
External 24 Vdc Power Supply
Sinking Mode (NPN)
Sourcing Mode (PNP)
SC
S8
S7
24 Vdc
SP
SN
SC
S8
S7
24
Vdc
SP
SN
External
24
Vdc
±
10%
SC
S8
S7
24 Vdc
SP
SN
SC
S8
S7
24
Vdc
SP
SN
External
24
Vdc
±
10%
TOEP_C710616_38H_7_0.book 54 ペー 2015年11月11日 水曜日 午後7時40分

Table of Contents

Other manuals for YASKAWA L1000A

Related product manuals