EasyManua.ls Logo

York YMAE - Two-Pipe Heating Mode

York YMAE
120 pages
Print Icon
To Next Page IconTo Next Page
To Next Page IconTo Next Page
To Previous Page IconTo Previous Page
To Previous Page IconTo Previous Page
Loading...
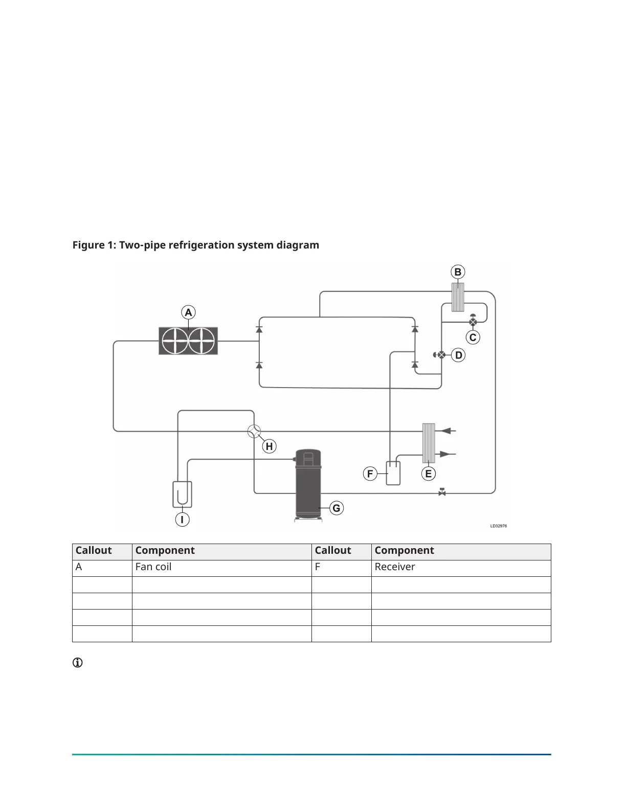
Two-pipe heating mode
Low-pressure liquid refrigerant enters the air source coil, it is fully evaporated, and superheated
by the energy absorbed from the ambient air. Low-pressure superheated refrigerant vapor passes
through the four-way reversing valve through the accumulator and enters the compressor, where
pressure and superheat are increased.
High-pressure superheated refrigerant vapor enters the main BPHE where heat is rejected to the
water. Then, the refrigerant flows from the main BPHE to the EVI BPHE to be further subcooled.
Simultaneously, a portion of the subcooled refrigerant flow passes through the EVI’s EEV, the
refrigerant flow is evaporated and superheated in the EVI’s BPHE, then flows to the compressor as
a cool gas. Also happening parallel to this, the main portion of the subcooled liquid refrigerant flow
passes through the main EEV, significantly reducing the pressure for the air source coils to absorb
heat from the ambient air before returning to compressor through the accumulator starting the
refrigerant cycle over.
Figure 1: Two-pipe refrigeration system diagram
Callout Component Callout Component
A Fan coil F Receiver
B Economizer PHE G Compressor
C EVI EEV H Four-way valve
D Main EEV I Accumulator
E BHPE
Note: This figure is for reference only. It does not reflect the actual PID.
YMAE Air-Cooled Inverter Scroll Chiller and Heat Pump22

Table of Contents

Related product manuals