EasyManua.ls Logo

York YMAE - Page 24

York YMAE
120 pages
Print Icon
To Next Page IconTo Next Page
To Next Page IconTo Next Page
To Previous Page IconTo Previous Page
To Previous Page IconTo Previous Page
Loading...
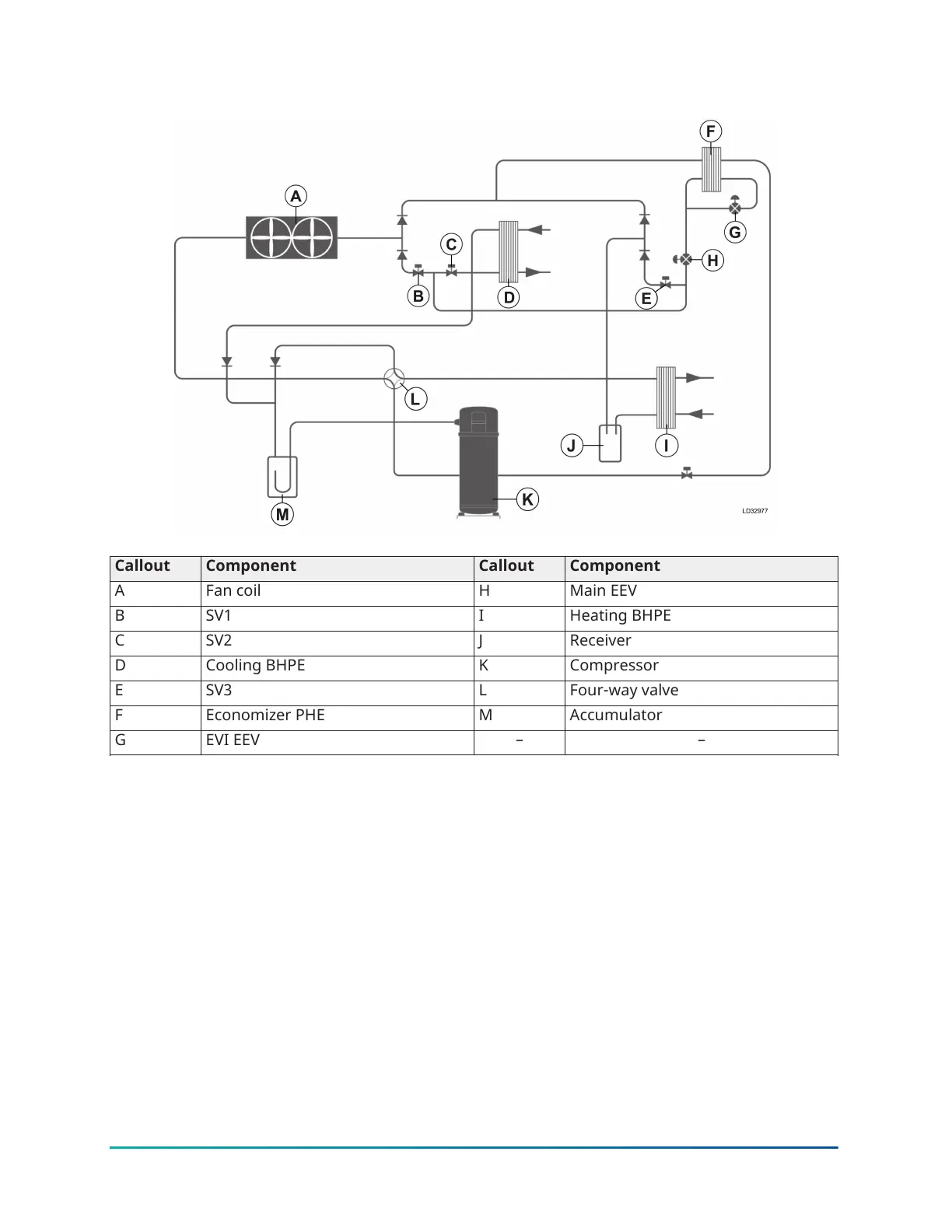
Figure 2: Four-pipe refrigeration system diagram
Callout Component Callout Component
A Fan coil H Main EEV
B SV1 I Heating BHPE
C SV2 J Receiver
D Cooling BHPE K Compressor
E SV3 L Four-way valve
F Economizer PHE M Accumulator
G EVI EEV
YMAE Air-Cooled Inverter Scroll Chiller and Heat Pump24

Table of Contents

Related product manuals