EasyManua.ls Logo

ZOLL 330 - Page 74

ZOLL 330
86 pages
Print Icon
To Next Page IconTo Next Page
To Next Page IconTo Next Page
To Previous Page IconTo Previous Page
To Previous Page IconTo Previous Page
Loading...
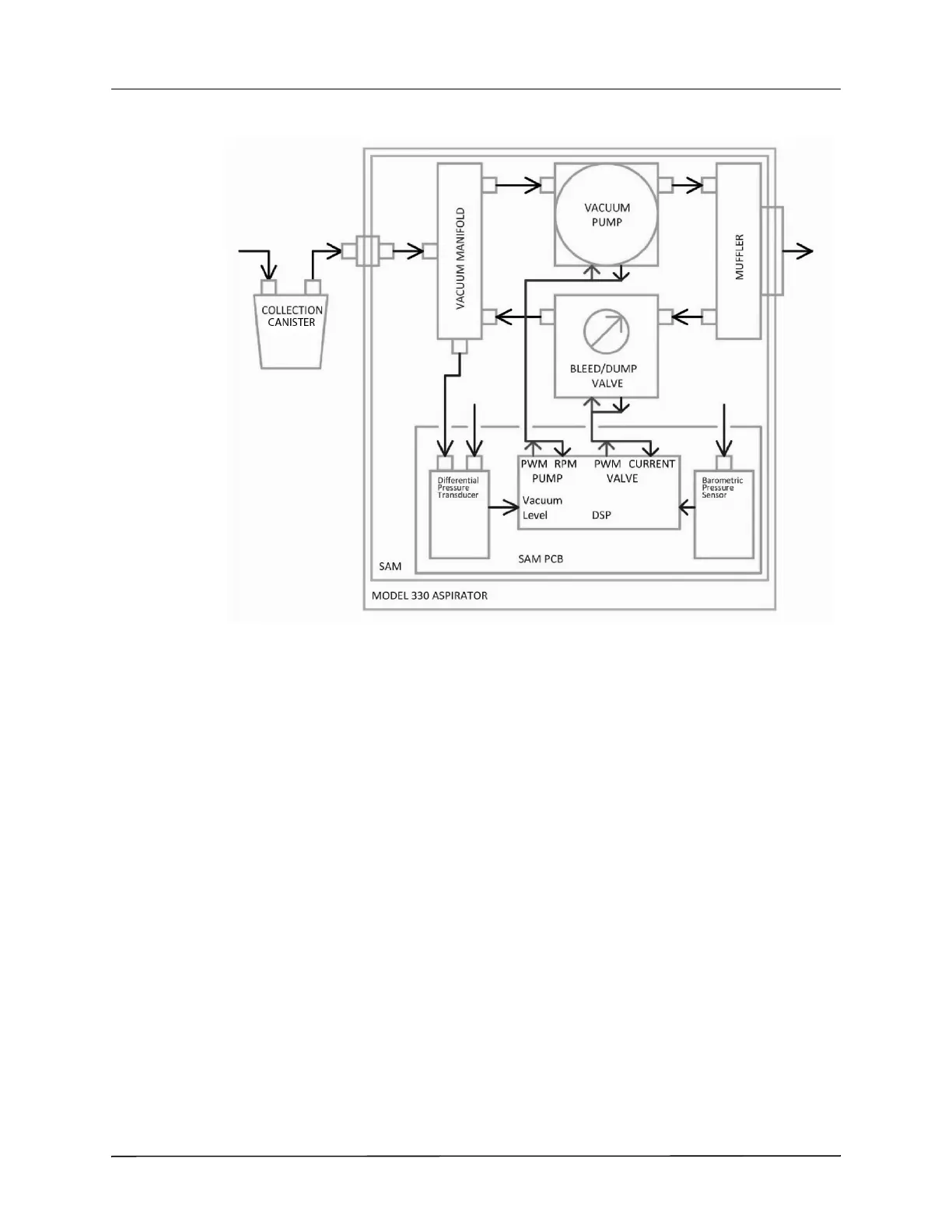
Functional Description
5-2 www.zoll.com 9650-000278-01 Rev. B
Figure 5-1 Pneumatic Design Diagram

Table of Contents

Other manuals for ZOLL 330

Related product manuals