EasyManua.ls Logo

ABB REF615 F - Page 421

ABB REF615 F
896 pages
Print Icon
To Next Page IconTo Next Page
To Next Page IconTo Next Page
To Previous Page IconTo Previous Page
To Previous Page IconTo Previous Page
Loading...
L1 L2 L3
7
8
9
10
11
12
1
2
3
4
5
6
1/5A
N
1/5A
N
1/5A
N
IL1B
IL2B
IL3B
X120
X120
1/5A
N
1/5A
N
1/5A
N
IL1
IL2
IL3
P2
P1
P2
P1
S1
S1
S2
S2
GUID-24C391DC-D767-4848-AE98-FE33C1548DEE V1 EN
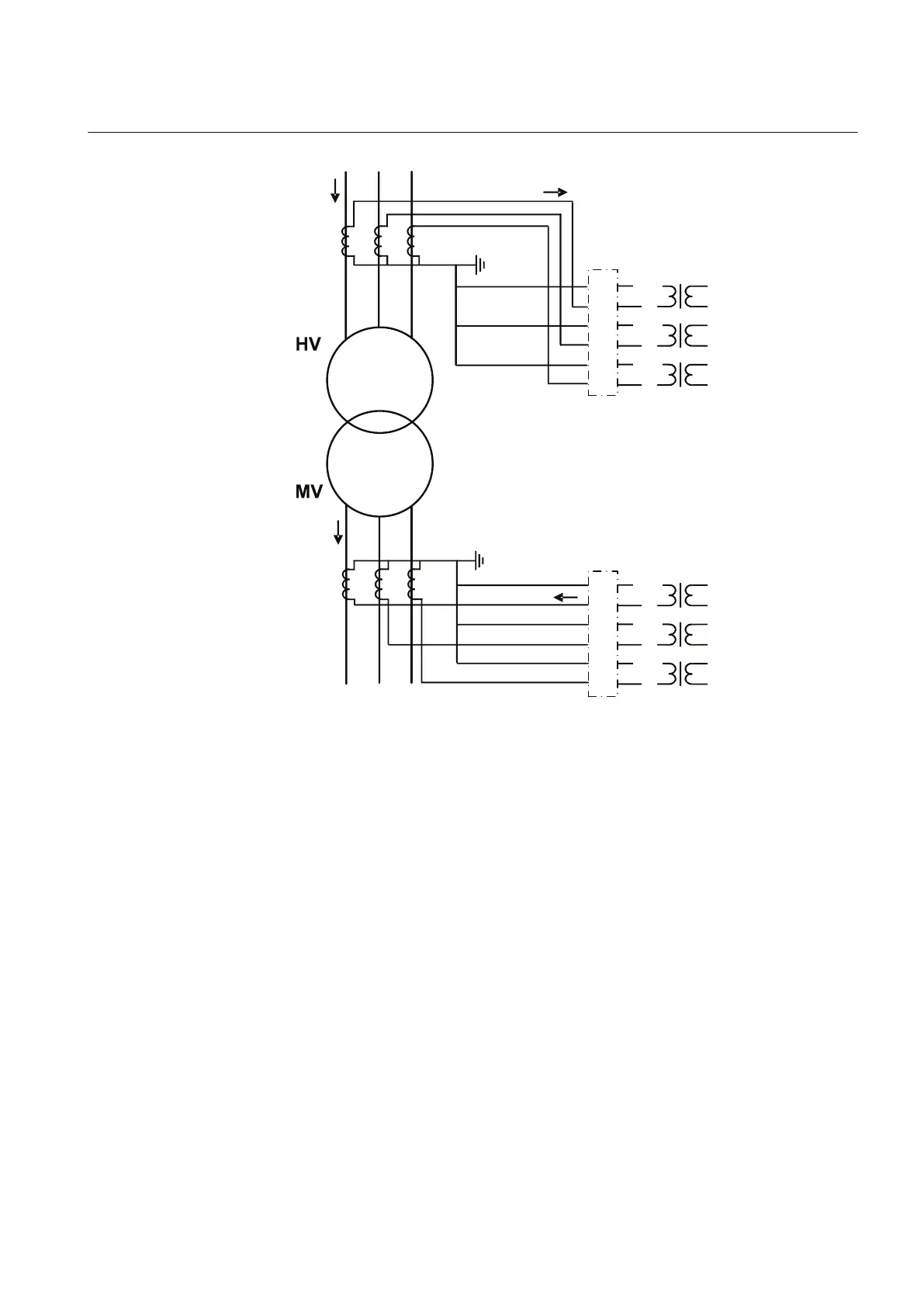
Figure 220: Alternative connection example of current transformers of Type 1
1YHT530004D05 D Section 4
Protection functions
615 series 415
Technical Manual

Table of Contents

Related product manuals