EasyManua.ls Logo

ABB VTR354P11 - Page 44

ABB VTR354P11
261 pages
Print Icon
To Next Page IconTo Next Page
To Next Page IconTo Next Page
To Previous Page IconTo Previous Page
To Previous Page IconTo Previous Page
Loading...
Seite / Page 8 Turbocharger VTR..4
Inbetriebnehmen Kap. / Chap. 2 Putting into operation
10030
ABB Turbo Systems Ltd
- D -
ABB
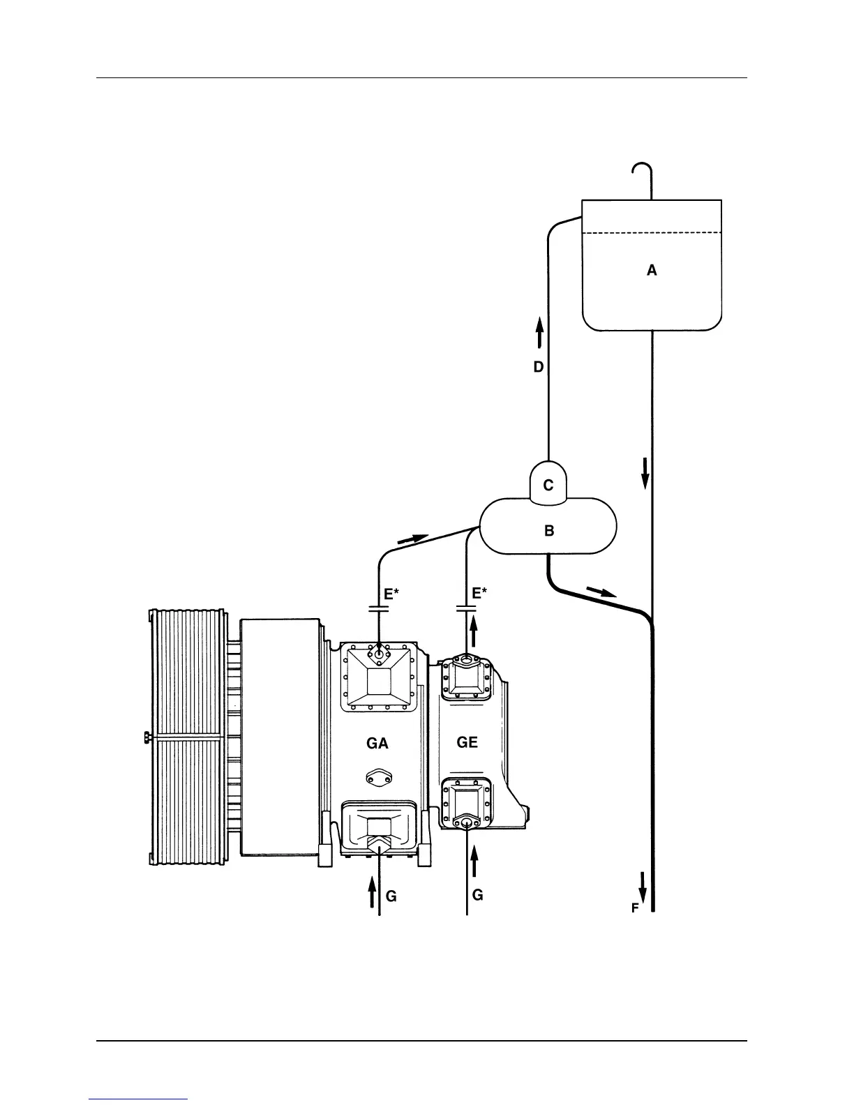
Fig. 2-4
Kühlen der Gaseintritts- und Gasaustrittsgehäuse
Cooling the gas inlet and gas outlet casing

Table of Contents

Related product manuals