EasyManua.ls Logo

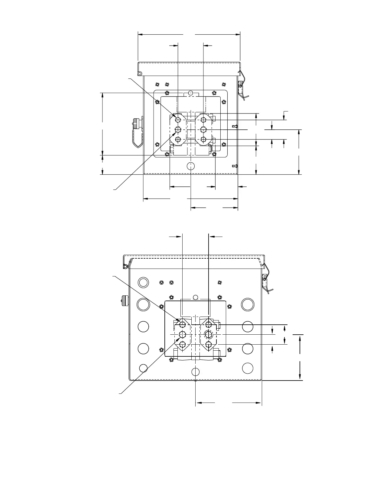
ABB XFCG4 6414 - Figure 27 Bottom View Orifice Flow Computer XFC 6410; G4 6410; Figure 28 Bottom View Orifice Flow Computer XFC 6413; G4 6413

ABB XFCG4 6414
161 pages
Print Icon
To Next Page IconTo Next Page
To Next Page IconTo Next Page
To Previous Page IconTo Previous Page
To Previous Page IconTo Previous Page
Loading...
47 XFC G4 2103335 Rev AB
Figure 27 Bottom View Orifice Flow Computer XFC
G4
6410
Figure 28 Bottom View Orifice Flow Computer XFC
G4
6413
4X .437-20 UNF
2X .250-18 NPT
(3.75)
(3.94)
(.810)
(1.625)
(1.62)
(5.20)
(3.80)
(7.88)
(2.70)
(1.89)
(2.40)
(2.125)
8.57
4X .437-20UNF
2X .250-18 NPT
(.810)
(5.41)
(3.75)
(2.125)
(1.625)

Table of Contents

Related product manuals