EasyManua.ls Logo

ABB XFCG4 6414 - Figure 29 Bottom View Orifice Flow Computer XFC 6713; G4 6713; Figure 30 Bottom View Pulse Flow Computer XFC 6411; G4 6411

ABB XFCG4 6414
161 pages
Print Icon
To Next Page IconTo Next Page
To Next Page IconTo Next Page
To Previous Page IconTo Previous Page
To Previous Page IconTo Previous Page
Loading...
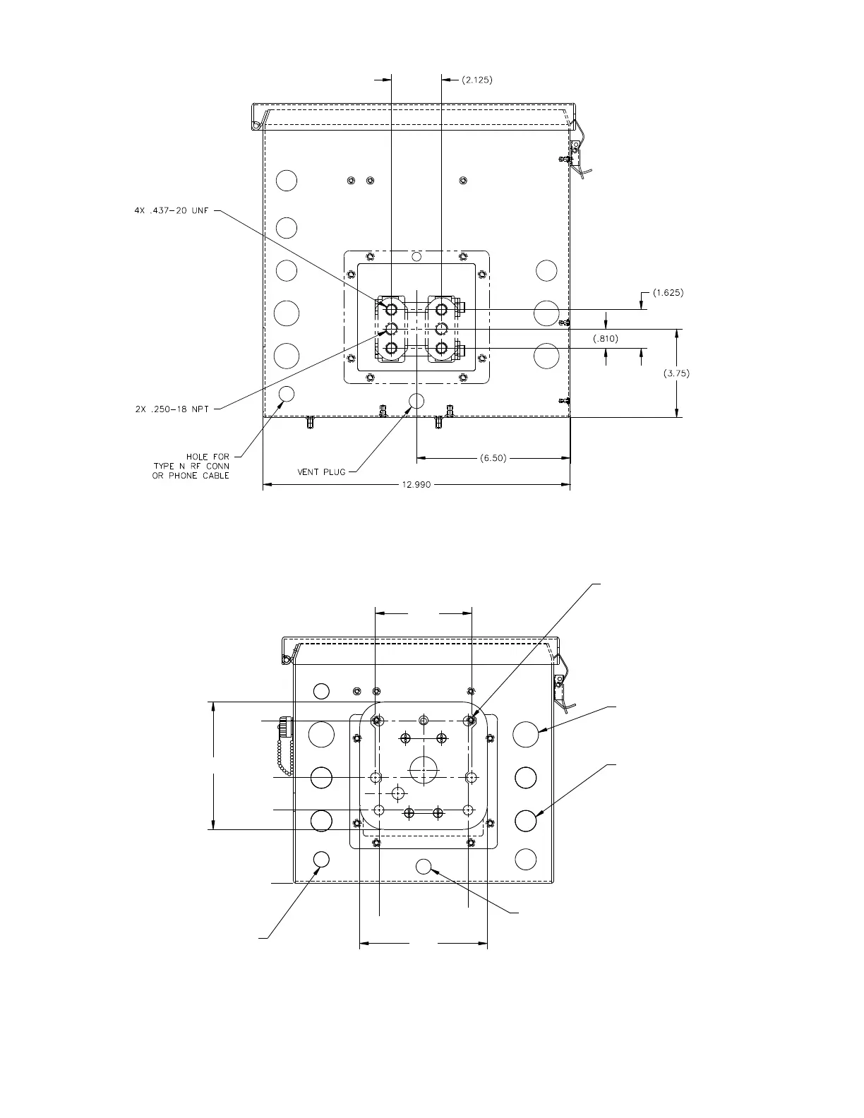
48 XFC G4 2103335 Rev AB
Figure 29 Bottom View Orifice Flow Computer XFC
G4
6713
Figure 30 Bottom View Pulse Flow Computer XFC
G4
6411
(5.30)
0.000
(4.500)
(3.700)
(3.051)
(5.30)
(.80)
0.000
(1.355)
(3.711)
(4.000)
(.150)
(Ø.641) 2 REQD
HOLES FOR RF CONN. TYPE N
CORD CONN (Ø.875)
HOLES FOR .50 NPT
5 REQD
(6X Ø.406 THRU)
(.80)
CORD CONN (Ø1.06)
HOLES FOR .75 NPT
2 REQD
VENT PLUG

Table of Contents

Related product manuals