EasyManua.ls Logo

ABB XFCG4 6414 - Figure 58 Mounting AC Charger; Figure 59 DC Wiring Instructions; Figure 60 AC Wiring Instructions

ABB XFCG4 6414
161 pages
Print Icon
To Next Page IconTo Next Page
To Next Page IconTo Next Page
To Previous Page IconTo Previous Page
To Previous Page IconTo Previous Page
Loading...
77 XFC G4 2103335 Rev AB
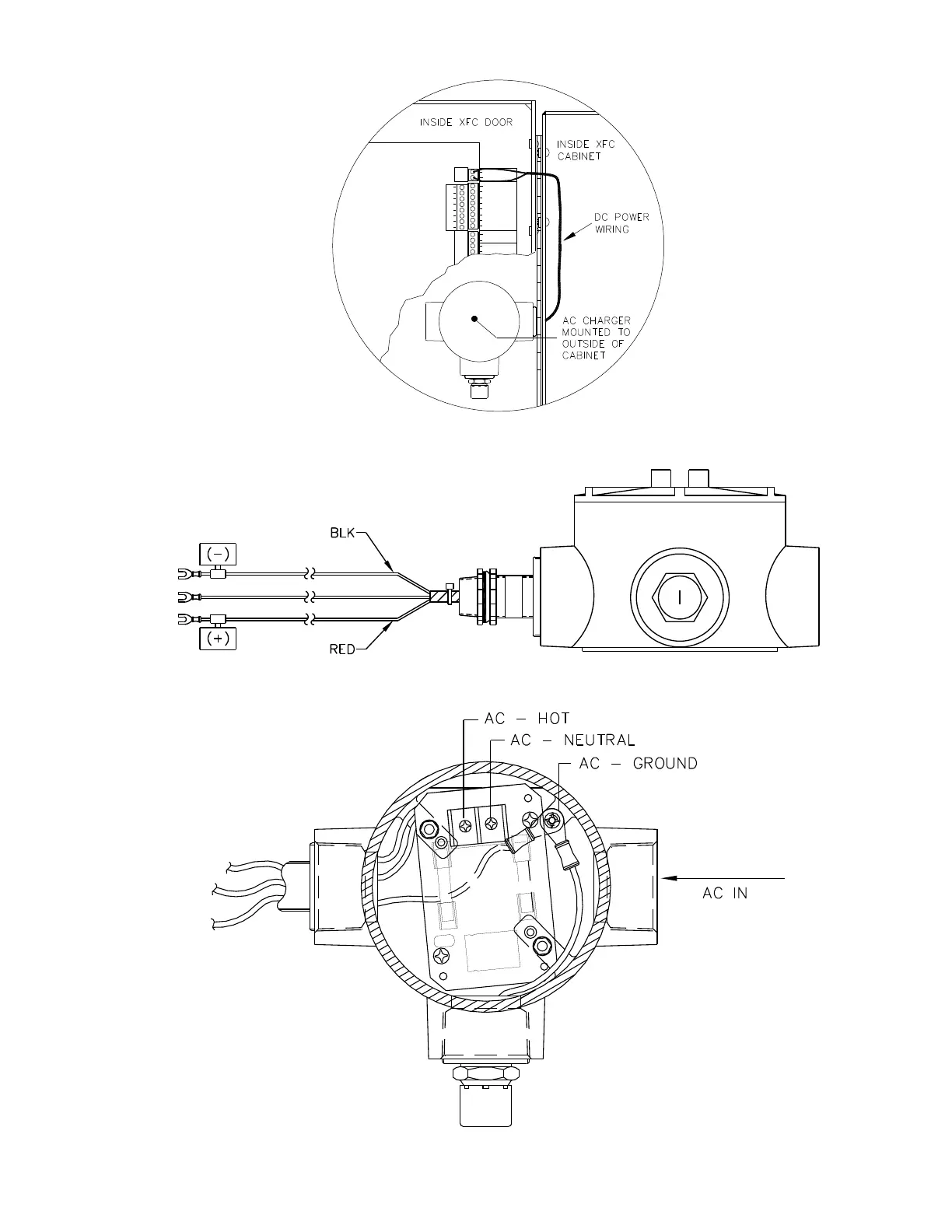
Figure 58 Mounting AC Charger
Figure 59 DC Wiring Instructions
Figure 60 AC Wiring Instructions
(+)
(-)
(+)
(-)
GND
DIN1
DIN2
9
2
13
15
16
14
11
12
10
5
7
8
6
4
3
J5
(-)
1
(+)
J4
CHGR
EXT
GND

Table of Contents

Related product manuals