EasyManua.ls Logo

Advantech AIMB-501 - ATX Power Connector (EATXPWR1, ATX12 V1)

Advantech AIMB-501
110 pages
Print Icon
To Next Page IconTo Next Page
To Next Page IconTo Next Page
To Previous Page IconTo Previous Page
To Previous Page IconTo Previous Page
Loading...
AIMB-501 User Manual 26
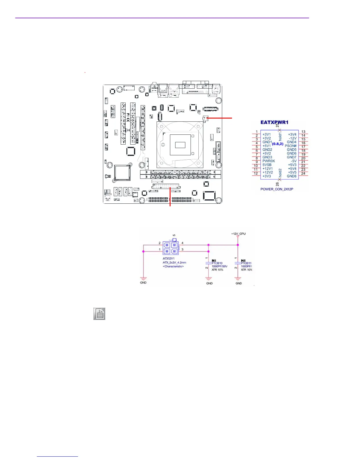
2.16 ATX Power Connector (EATXPWR1, ATX12V1)
This connector is for an ATX Micro-Fit power supply. The plugs from the power sup-
ply are designed to fit these connectors in only one direction. Determine the proper
orientation and push down firmly until the connectors mate completely.
Note! 1. Please connect the ATX12V1 connector with the PSU ATX 12V 4-
pin connector.
2. For a fully configured system, we recommend that you use a power
supply unit (PSU) that complies with ATX 12 V Specification 2.0 (or
later version) and provides a minimum power of 180 W.
ATX12V1
EATXPWR1

Table of Contents

Related product manuals