EasyManua.ls Logo

AIREDALE LogiCool InRak - Page 74

AIREDALE LogiCool InRak
92 pages
Print Icon
To Next Page IconTo Next Page
To Next Page IconTo Next Page
To Previous Page IconTo Previous Page
To Previous Page IconTo Previous Page
Loading...
LogiCool InRak™
IT Cooling
74
InRak™ Technical Manual 7462807 V1.11.0_04_2016
Installation
Installation
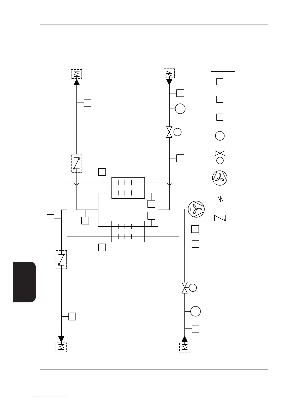
Pipework Schematics
CC (2 Port Valve)
INTERLACED CW
COIL RIGHT
INTERLACED CW
COIL LEFT
M
PORT B
PORT A
WTS
BI
BI
DR
OPTIONAL
OPTIONAL
CIRCUIT 1
INLET LEG
WTS
BI
OPTIONAL
M
PORT B
PORT A
BI
OPTIONAL
BL
BL
DR
CIRCUIT 1
OUTLET LEG
CIRCUIT 2
INLET LEG
CIRCUIT 2
OUTLET LEG
BI
DR
DR
BI
OPTIONAL
OPTIONAL
BL
KEY: ALL ITEMS
BI
BL
DR
WTS
M
BINDER POINT
BLEED VALVE
DRAIN VALVE
WATER TEMPERATURE SENSOR
2-WAY REGULATING BALL VALVE
(ACTUATOR DRIVEN)
CENTRIFUGAL FAN
THREADED CONNECTIONS (OPTIONAL)
CHECK VALVE (OPTIONAL)

Table of Contents

Related product manuals