EasyManua.ls Logo

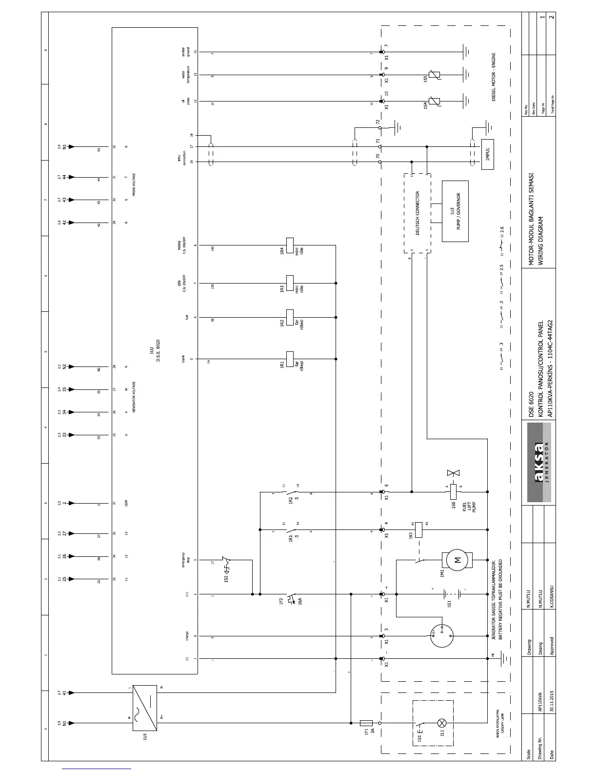
Aksa AP15 - Page 70

Aksa AP15
Print Icon
To Next Page IconTo Next Page
To Next Page IconTo Next Page
To Previous Page IconTo Previous Page
To Previous Page IconTo Previous Page
Loading...

Table of Contents