EasyManua.ls Logo

Akytec PR200 - Appendix C. Galvanic Isolation

Akytec PR200
45 pages
Print Icon
To Next Page IconTo Next Page
To Next Page IconTo Next Page
To Previous Page IconTo Previous Page
To Previous Page IconTo Previous Page
Loading...
Appendix C. Galvanic isolation
akYtec GmbH · Vahrenwalder Str. 269 A · 30179 Hannover · Germany Tel.: +49 (0) 511 16 59 672-0 · www.akytec.de
36
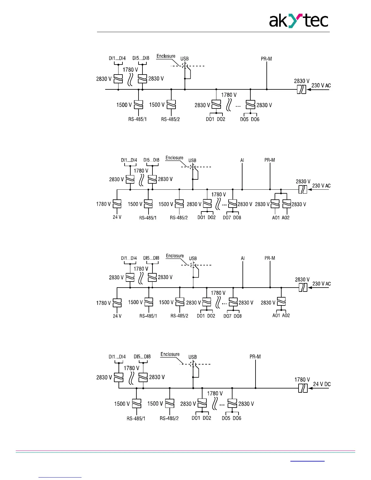
Appendix C. Galvanic isolation
Fig. C.1 Galvanic isolation of PR200-230.1
Fig. C.2 Galvanic isolation of PR200-230.2
Fig. C.3 Galvanic isolation of PR200-230.4
Fig. C.4 Galvanic isolation of PR200-24.1

Other manuals for Akytec PR200