EasyManua.ls Logo

Akytec PR200 - Appendix D. Circuit Diagrams

Akytec PR200
45 pages
Print Icon
To Next Page IconTo Next Page
To Next Page IconTo Next Page
To Previous Page IconTo Previous Page
To Previous Page IconTo Previous Page
Loading...
Appendix D. Circuit diagrams
akYtec GmbH · Vahrenwalder Str. 269 A · 30179 Hannover · Germany Tel.: +49 (0) 511 16 59 672-0 · www.akytec.de
38
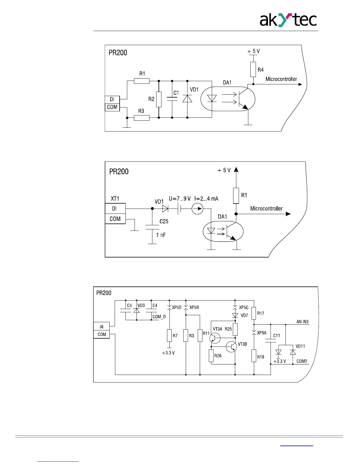
Appendix D. Circuit diagrams
Fig. D.1 PR200-230 digital input circuit diagram
Fig. D.2 PR200-24 digital input circuit diagram
Fig. D.3 Analog input circuit diagram

Other manuals for Akytec PR200