EasyManua.ls Logo

Alinco DR-435 - Tk10930 Vtl (Xa0223)

Alinco DR-435
71 pages
Print Icon
To Next Page IconTo Next Page
To Next Page IconTo Next Page
To Previous Page IconTo Previous Page
To Previous Page IconTo Previous Page
Loading...
18
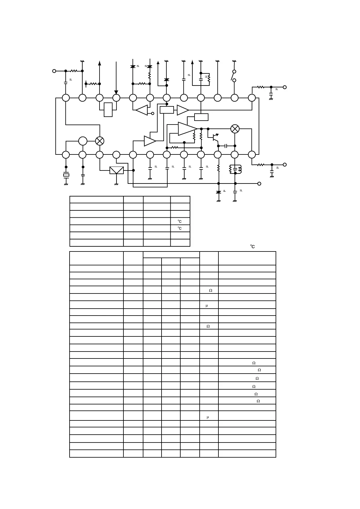
4) TK10930VTL (XA0223)
Parameter Symbol Ratings Unit
Supply voltage Vcc max 10.0 V
Power dissipation Pd 400 mV
Storage temperature Tstg -55~+150
Operating temperature Top -30~+75
Operating voltage Vop 2.5~8.5 V
Operating frequency fop ~60 MHz
Ta=25 Vcc=3V
Narrow Band FM IF IC
RF INPUT
0.01
0.033
0.022
0.1
1 F
1
F
COMP OUT
COMP IN
NOISE AMP OUTPUT
NOISE AMP INPUT
AM AGC
AM SW
AM LOW CUT
RSSI OUT
Vcc
1K
68K
IF GND
GND
SQ
51
IF IN
10.7MHz
30K 270K
AMP
+
+
+
+
+-
24 23 22 21 20 19 18 17 16 15 14 13
AM AF OUT
4.7K
AF OUTPUT (AM)
S DET
IF AMP
AM DET
AGC
FM DET
FM AF OUT
AF OUTPUT (FM)
8.2K
Vcc 3V
0.1 F
0.1
F
0.1
F
0.1
F
0.1
F
AM IF INPUT
MIX OUT
10.245MHz OSC(B)
120p
Vcc
OSC(E)
0.01
10 F
7BRE-7437Z
LIM OUT
DECOUPLING
DECOUPLING
DECOUPLING
FM IF INPUT
30K
2.2K
QUAD IN
CFU455D
MIX
OSC
33p
123456789101112
Parameter Symbol
Min Typical Max
Supply Current 1 lcc1 6.8 8.9 mA No signal, AM ON
Supply Current 2 lcc2 3.9 5.3 mA No signal, AM OFF
Mixer Coversion Gain Mg 20 dB
Mixer Input Impedance Mz 3.6 K
DC Test
FM
Limiting Sensitivity Limit 2.0 8.0
V -3.0dB
Output Voltage Vo1 85 150 230 mVrms 10mVin +/-3kHz DEV
Distortion THD1 1.0 2.0 % 10mVin +/-3kHz DEV
Output Impedance Zo 800
10mVin
Filter Gain Gf 30 38 dB Fin=30kHz, Vo=100mV
Scan Control Hi Voltage SH 2.3 V Squelch input=2.5V
Scan Control Low Voltage SL 0.3 V Squelch input=0V
Squelch Hysteresis Hys 30 mV
S meter Output Voltage S0 0.05 0.5 V Vin=0mV, RS=68k
S meter Output Voltage S1 0.05 0.5 0.9 V Vin=0.01mV, RS=68k
S meter Output Voltage S2 0.7 1.2 1.7 V Vin=0.1mV, RS=68k
S meter Output Voltage S3 1.2 1.8 2.5 V Vin=1mV, RS=68k
S meter Output Voltage S4 1.6 2.3 2.9 V Vin=10mV, RS=68k
S meter Output Voltage S5 1.8 2.4 2.9 V Vin=100mV, RS=68k
AM
Sensitivity US 20 15
V
Output Voltage Vo2 60 120 160 mVrms 1kHz, 30%, Vin=1mV
Distortion-1 THD2 1.0 2.0 % 1kHz, 30%, Vin=1mV
Distortion-2 THD3 2.0 4.0 % 1kHz, 30%, Vin=1mV
S/N S/N 40 48 dB 1kHz, 30%, Vin=1mV
AM OFF Vo -0.3 0.3 %
Ratings
Unit Condition
required input level to get
20mV rms output

Table of Contents

Related product manuals