EasyManua.ls Logo

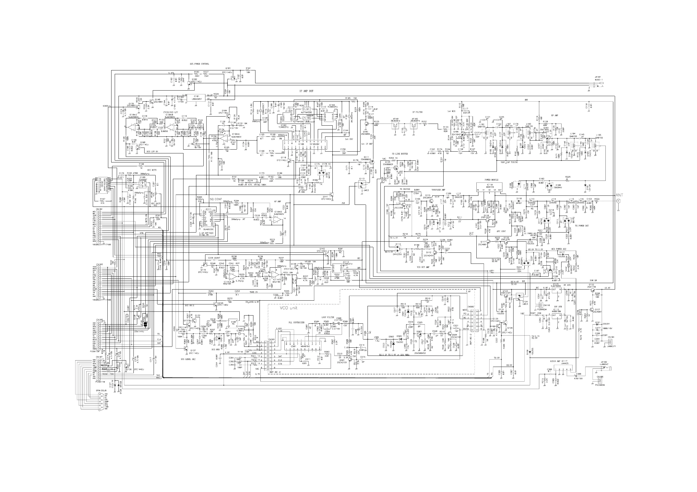
Alinco DR-435 - Main Unit DR-235 Schematic

Alinco DR-435
71 pages
Print Icon
To Next Page IconTo Next Page
To Next Page IconTo Next Page
To Previous Page IconTo Previous Page
To Previous Page IconTo Previous Page
Loading...
65
3) MAIN Unit DR-235
TO
CN6
OPTION
CN7
TO CPU
CN2
TO CPU
CN1
TO OPTION
Downloaded by
RadioAmateur.EU

Table of Contents

Related product manuals