EasyManua.ls Logo

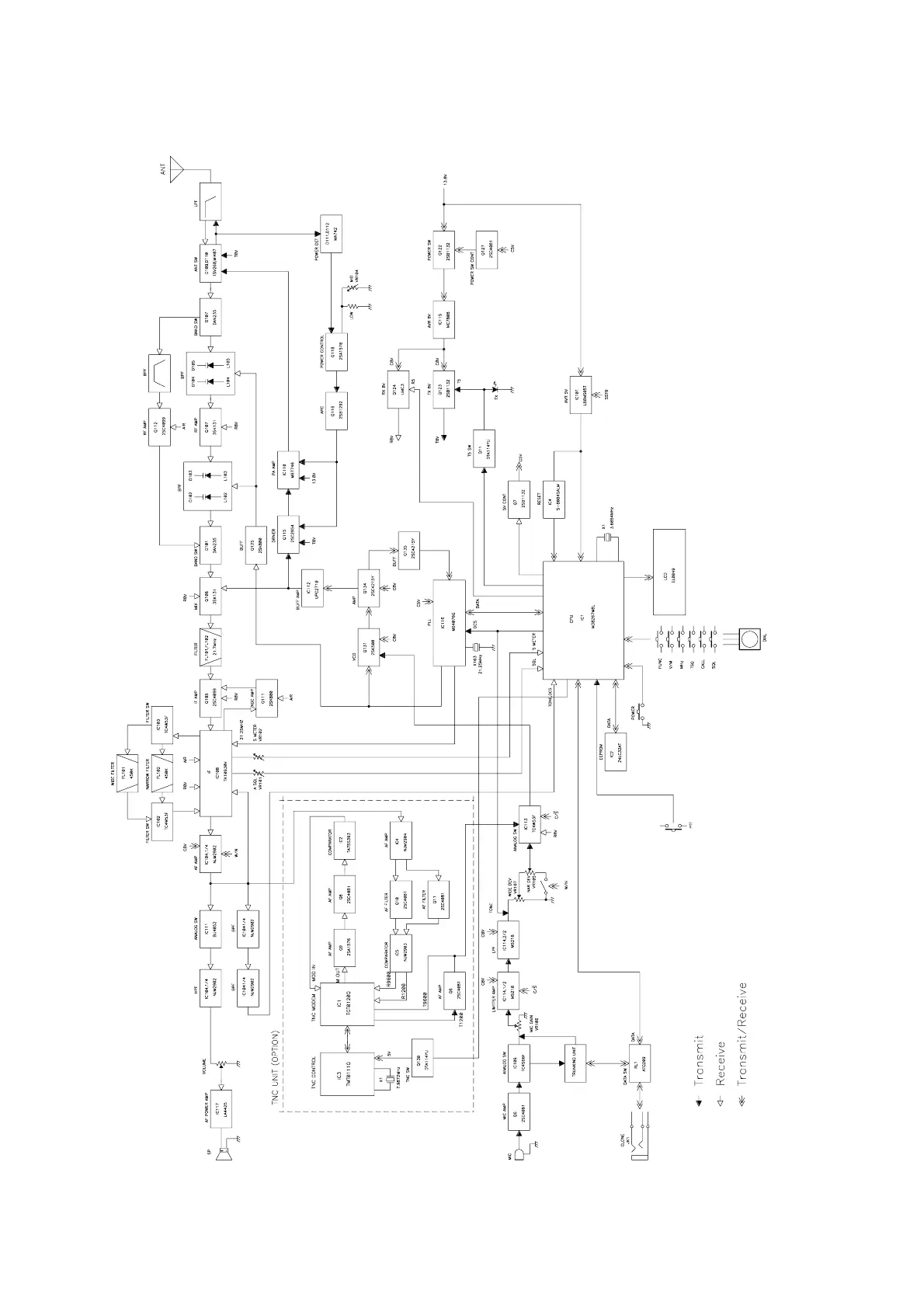
Alinco DR-435 - Block Diagram; DR-135 Block Diagram

Alinco DR-435
71 pages
Print Icon
To Next Page IconTo Next Page
To Next Page IconTo Next Page
To Previous Page IconTo Previous Page
To Previous Page IconTo Previous Page
Loading...
68
BLOCK DIAGRAM
1) DR-135

Table of Contents

Related product manuals