EasyManua.ls Logo

Alinco DR-435 - M64076 Gp (Xa0352)

Alinco DR-435
71 pages
Print Icon
To Next Page IconTo Next Page
To Next Page IconTo Next Page
To Previous Page IconTo Previous Page
To Previous Page IconTo Previous Page
Loading...
20
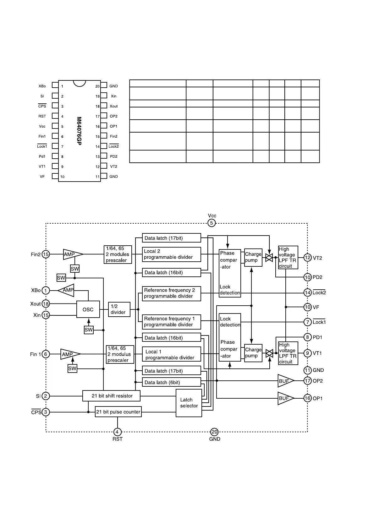
7) M64076GP (XA0352)
Equivalent Circuit
Dual PLL Synthesizer
Parameter Symbol Condition Min. Typ. Max. Unit
Power supply voltage Vcc
Vin=-10dBm
LPF supply voltage VF
Local oscillator input level Vin
Vcc=2.7~5.5V
Local oscillator input frequency Fin
Vcc=2.7~5.5V
Xin input level Vxin
Fxin=10~25MHz
Sine wave
Xin input frequency Fxin
Vxin=0.4~1.4Vp-p
Vcc=2.7~5.5V
Vcc=2.7~5.5V
Vin=-20~-4dBm
Fin=80~520MHz
-912V
Fin=80~520MHz
2.7 - 5.5 V
-20 - -4 dBm
80 - 520 MHz
0.4 - 1.4 Vp-p
10 - 25 MHz

Table of Contents

Related product manuals