EasyManua.ls Logo

Alpha AS100 Series - Basic Block Diagram of Servo System; Standard Wiring Diagram of Servo Drive

Alpha AS100 Series
179 pages
Print Icon
To Next Page IconTo Next Page
To Next Page IconTo Next Page
To Previous Page IconTo Previous Page
To Previous Page IconTo Previous Page
Loading...
Chapter II Installation and Wiring
27
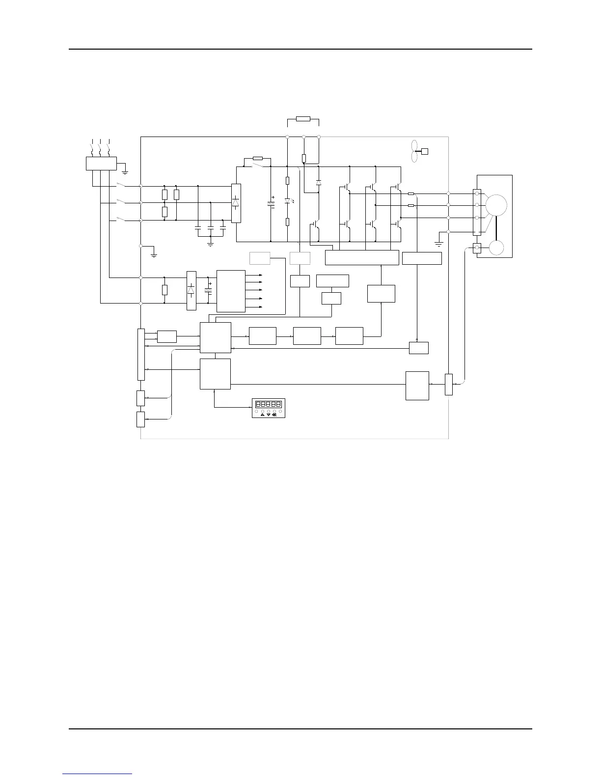
2.7 Basic Block Diagram of Servo System
Rectifier
Braking Circuit
Gate Driver
Varistor
Surge Arrester
Varistor
SMPS
+/- 15V
+5V
+15V x 4
-8V x 4
+24V
Voltgae
Detect
Current Detect
Position Command
Speed Command
Torque Command
Digital Input
Digital Output
Encoder Pulse Output
CN2
A/D
Position
Loop
Speed
Loop
Current
Loop
PWM
DSP
CPLD
Encoder
Signal
Processing
Data Bus
ESC SET
Display & Touch Panel
A/D
A/D
Temperature
Detect
A/D
Relay
Drive
CN3
CN4
RS485
RS485
ENC
M
CN1
+24V
L1
L2
L3
PE
LC1
LC2
U
V
W
PE
+
B2 B1
EMC Filter
3 ~ 220V
Ext. Brake Resistor
Servo Motor
Fig. 2-6 Basic Block Diagram of Servo System
2.8 Standard Wiring Diagram of Servo Drive
The standard wiring diagrams of the servo system under position mode, speed mode
and torque mode are as follows:

Table of Contents

Related product manuals