EasyManua.ls Logo

Ametek 3050-DO - RS-485 to RS-232 Conversion for Host PC

Ametek 3050-DO
83 pages
Print Icon
To Next Page IconTo Next Page
To Next Page IconTo Next Page
To Previous Page IconTo Previous Page
To Previous Page IconTo Previous Page
Loading...
PN 305725901, Rev YF
RS-485 to RS-232 Conversion for Host PC
Converter and Power Supply are not suitable for use in hazardous
locations.
Refer to Chapter 4 for replacement part numbers.
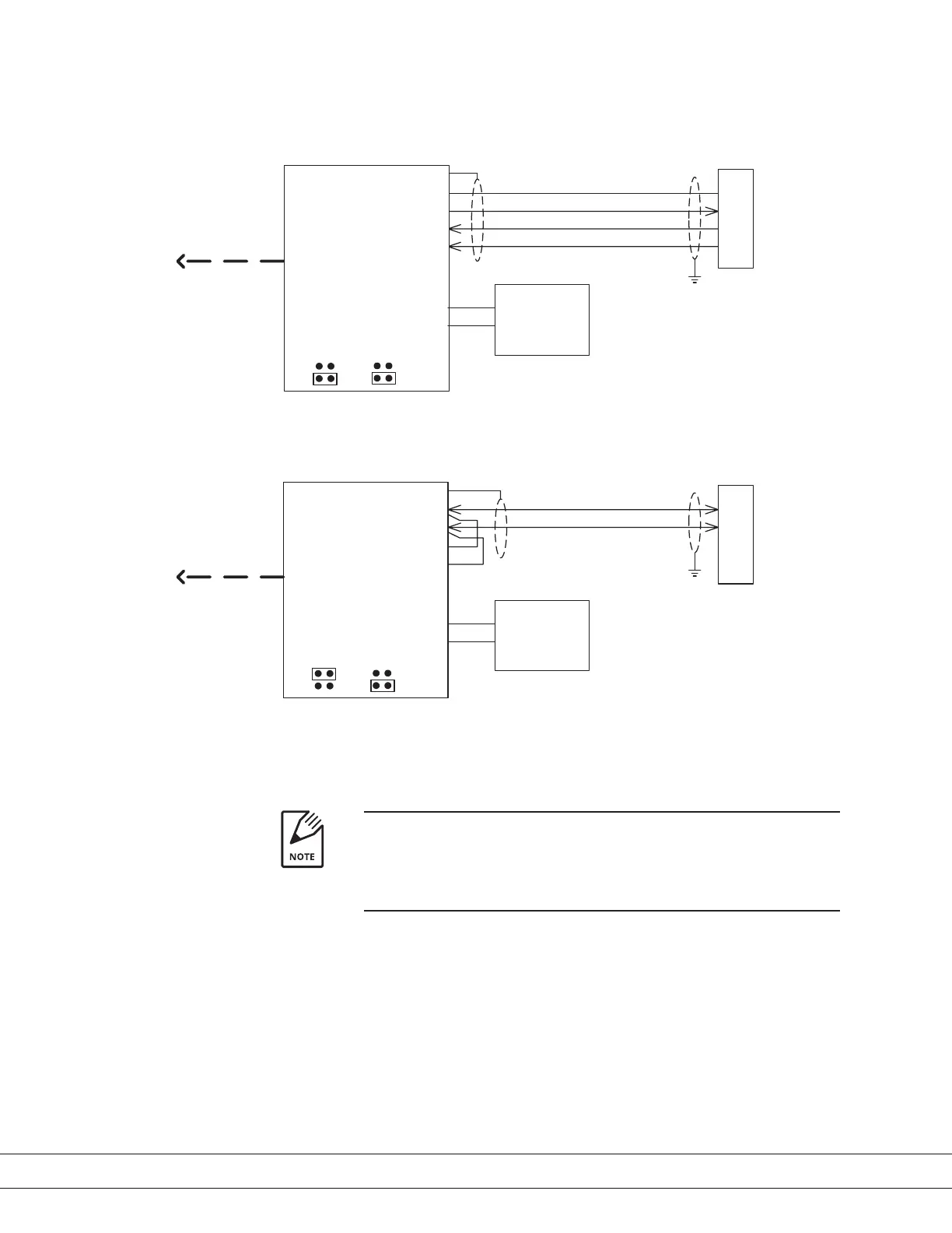
Figure 2-9.
RS-485 to RS-232 Conversion
for Host PC.
9
8
5
4
RX- (A)
RX+ (B)
TX- (A)
TX+ (B)
RS485 to RS232 Conversion for Host PC
4 wire
RS485 IN
3050 Analyzer
(type DB9M)
TDA(-)
TDB(+)
RDA(-)
RDB(+)
SHLD
GND
+12V
Power
Supply
To PC
5
4
RX/TX- (A)
RX/TX+ (B)
2 wire
RS485 IN
3050 Analyzer
(type DB9M)
TDA(-)
TDB(+)
RDA(-)
RDB(+)
SHLD
GND
+12V
Power
Supply
To PC
Notes:
TB3
TB3
1. Converter and Power Supply are not suitable for use in hazardous locations.
2. Refer to Chapter 6 for replacement part numbers.
ECHO
OFF
ON
CONTROL
RTS
SD
ECHO
OFF
ON
CONTROL
RTS
SD
Converter
Converter
2-16 | 3050-DO Moisture Analyzer

Table of Contents

Related product manuals