EasyManua.ls Logo

AMPTRON Ai205 - 3-Phase 4-Line 2 PT Mode (2 LN); 3-Phase 3-Line Open Delta Mode (2 LL)

Default Icon
103 pages
Print Icon
To Next Page IconTo Next Page
To Next Page IconTo Next Page
To Previous Page IconTo Previous Page
To Previous Page IconTo Previous Page
Loading...
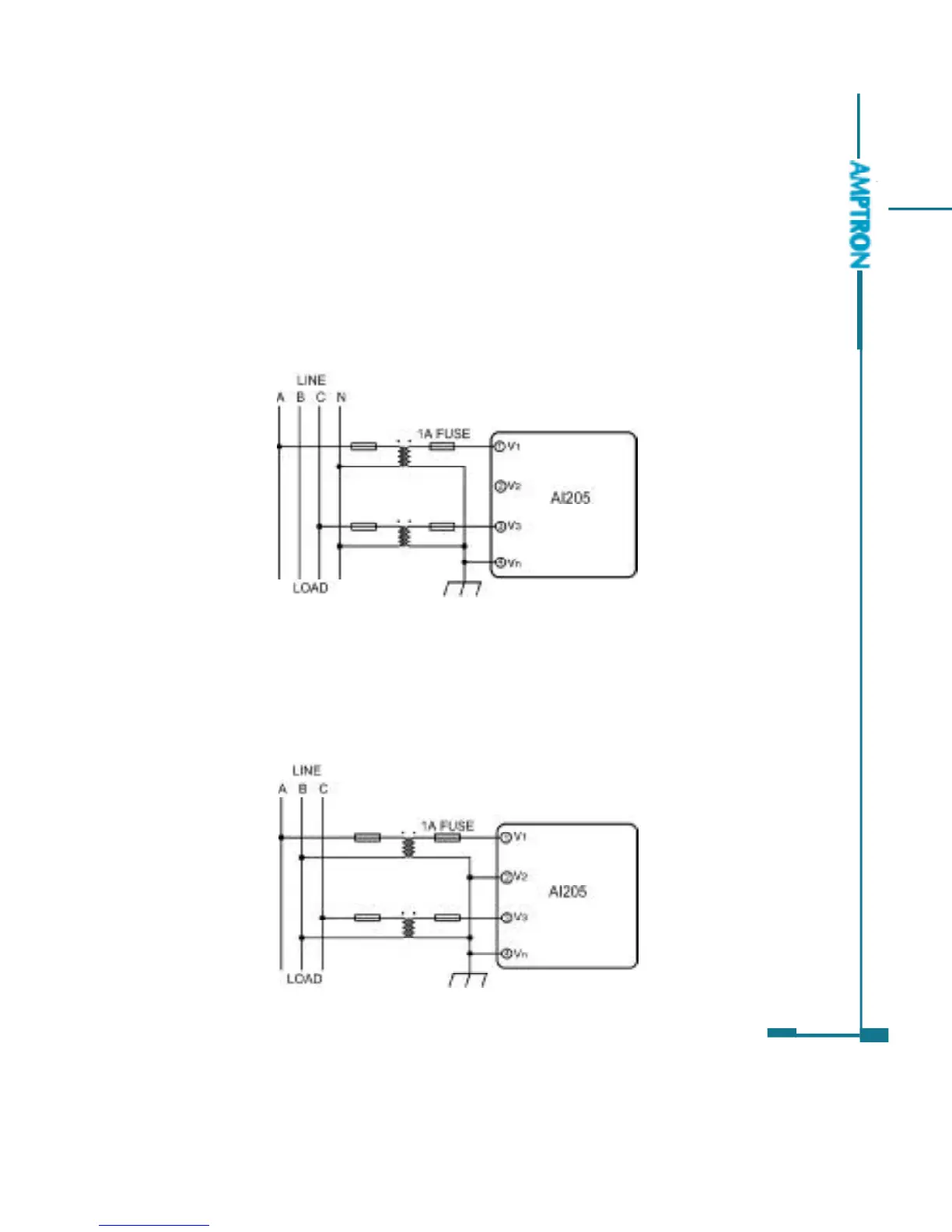
3-Phase 4-Line 2PT mode (2LN)
In some 3-Phase 4-Line Wye system, 2PT Wye mode is often used as in fig 2.
12. It is supposed that the 3 phases of power system are balance. The voltage of
V2 is calculated according to the V1 and V3. The voltage input mode of the Ai205
should be set 2LN for 2PT voltage input wiring mode.
17
Fig 2.12 2LN with 2PTs
3-Phase 3-Line open Delta Mode (2LL)
Open delta wiring mode is often used in high voltage system. V2 and Vn
connected together in this mode. The voltage input mode of the Ai205 should be
set 2LL for voltage input wiring mode.
Fig 2.13 2LL with 2PTs
PDF created with FinePrint pdfFactory trial version http://www.pdffactory.com

Table of Contents