EasyManua.ls Logo

AMPTRON Ai205 - Digital Output

Default Icon
103 pages
Print Icon
To Next Page IconTo Next Page
To Next Page IconTo Next Page
To Previous Page IconTo Previous Page
To Previous Page IconTo Previous Page
Loading...
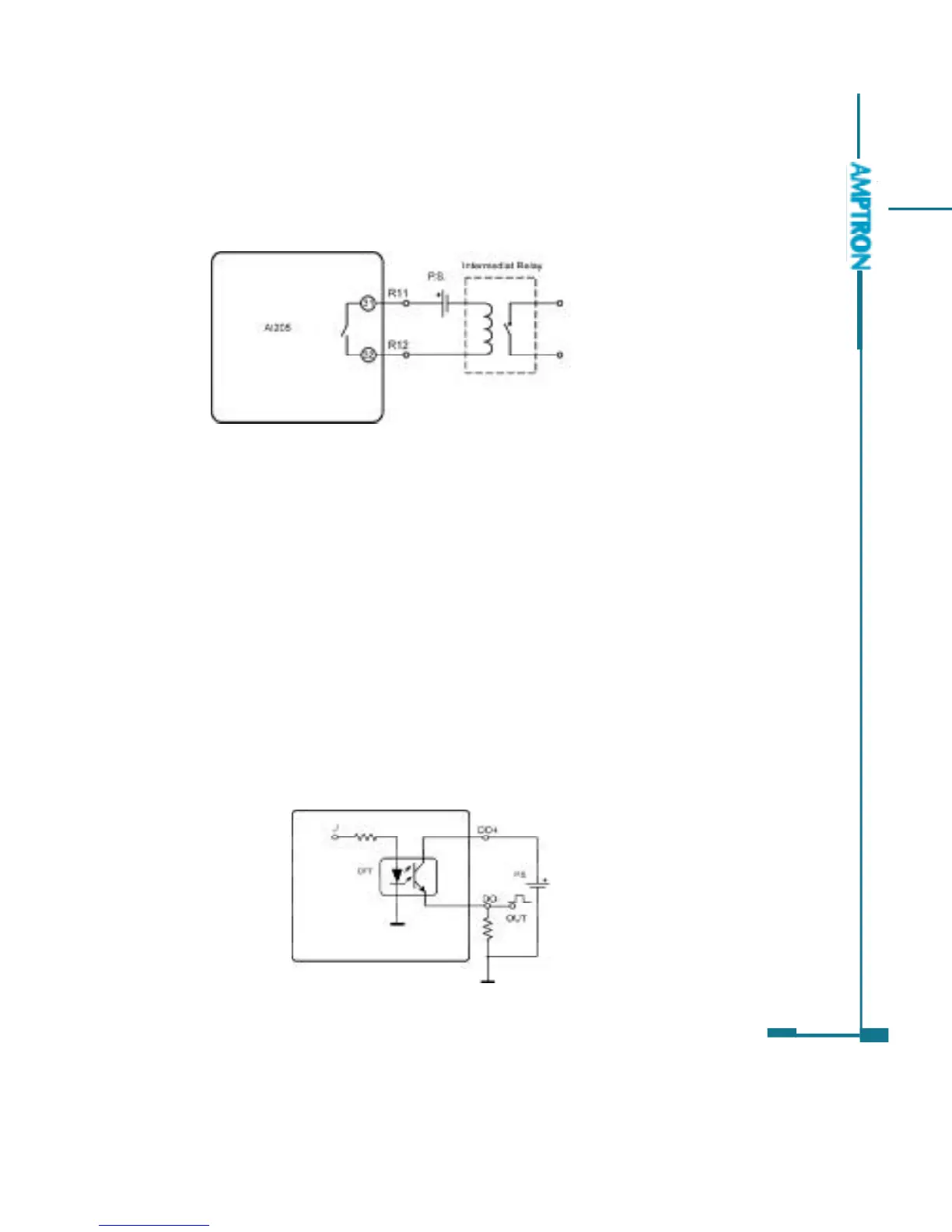
There are two relay output modes for selection, one is latching, and the other
is momentary. For the latching mode, the relay can be used to output two statues
on or off. For the momentary mode, the output of the relay changes from off to on
for a period of time Ton and than goes off. Ton can be setting from 50-300ms.
The wire of relay output should be chose between AWG22 (0.5mm
2
)-AWG16
(1.5mm
2
).
Digital Output
There are two digital outputs for option. The terminals of the digital output are
DO1+, DO1-(35, 36) and DO2+, DO2-(37, 38). These two digital output can be
used as energy pulse output or over limit alarming output.
Digital output circuit form is open collector. The simplified circuit is as fig. 2.30.
25
Control
Output
Fig 2.29 Relay output
Power
Supply
Optical
Isolator
Fig 2.30 Digital output Circuit
PDF created with FinePrint pdfFactory trial version http://www.pdffactory.com

Table of Contents