EasyManua.ls Logo

AMPTRON Ai205 - Digital and Analog I;O Wiring

Default Icon
103 pages
Print Icon
To Next Page IconTo Next Page
To Next Page IconTo Next Page
To Previous Page IconTo Previous Page
To Previous Page IconTo Previous Page
Loading...
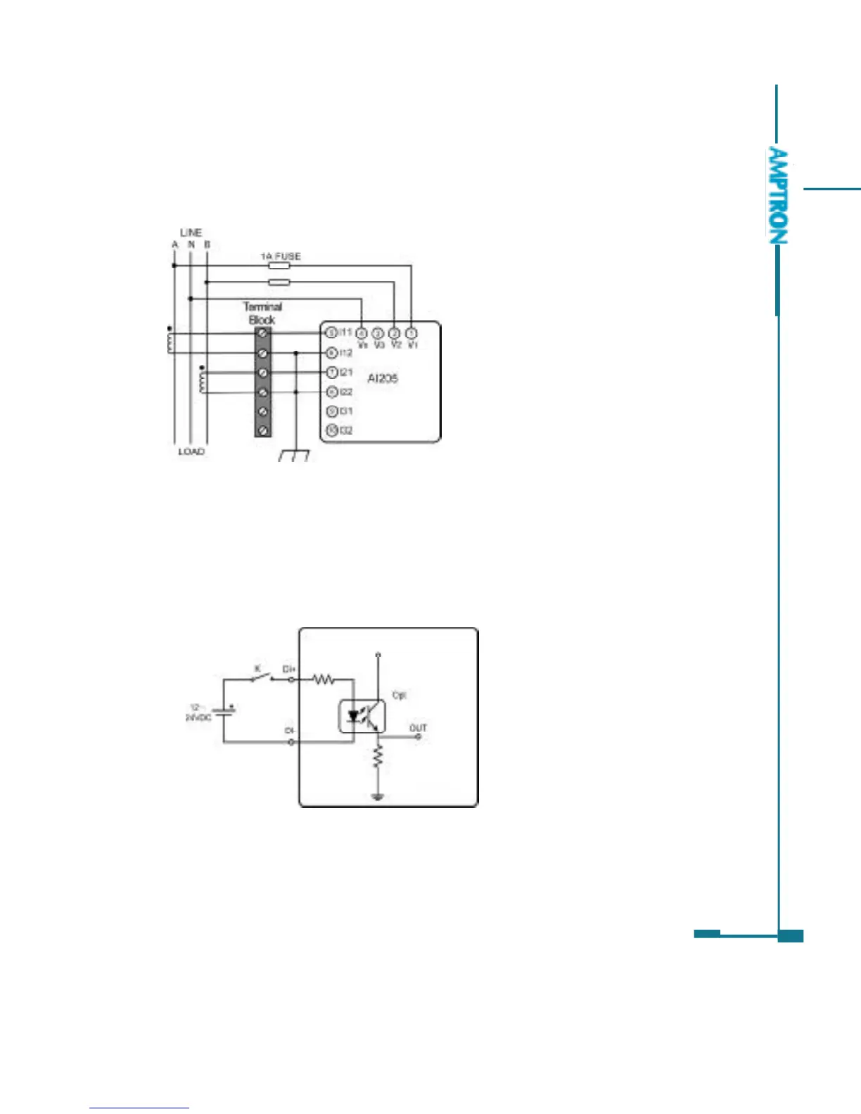
9. Single Phase 3 Line (Wiring mode setting 3LN, 3CT)
Wiring of Digital (Switch Statues) Input
There are two digital input of wet contact in standard Ai205. The terminals
of the two Digital input are DI1+, DI1- (15, 16) and DI2+, DI2- (17, 18). Additional
two digital inputs are optional. The terminals of the two additional are DI3+, DI3-
(25, 26) and DI4+, DI4-(27, 28). The circuit drawing of the digital input is simplified
as Fig. 2.27.
Auxiliary power supply for the digital input is 12-24Vdc. If the connection wire
is too long, a relative higher voltage should be adopted. The current in the loop
line should be less than 10mA-15mA, and the Max current is 30mA.
23
Fig 2.26 Single
Phase 3 Line
Fig 2.27 Digital Input
Circuit of A
Optical
Isolator
PDF created with FinePrint pdfFactory trial version http://www.pdffactory.com

Table of Contents