EasyManua.ls Logo

Angelo Po FX201E2 - Washing Cycles Levels 3

Angelo Po FX201E2
125 pages
Print Icon
To Next Page IconTo Next Page
To Next Page IconTo Next Page
To Previous Page IconTo Previous Page
To Previous Page IconTo Previous Page
Loading...
Copyright by Servizio Clienti ANGELO PO Spa
79
5. WASHING CYCLES LEVELS 3
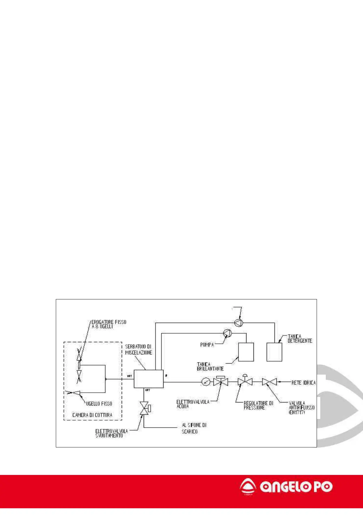
5.1. Washing circuit operating and components
The washing circuit consists of the following components:
Non-return valve (in the water inlet assembly) prevents the contamination of the water
mains. If there is a decompression in the water supply network the valve drains the fluid
outside of the circuit downstream of itself, preventing a possible flow back into the water
network.
Pressure adjustment (in the water inlet assembly).
Water solenoid valve (in the water inlet assembly).
Detergent dispenser (pump unit): peristaltic pump type.
Sanitizer dispenser (pump unit): same as previous.
Mixing tank.
Drain solenoid valve (pump unit): normally close valve. It drains the contents of the tank
into the pipe connected to the siphon.
Fixed sprinkler into the cooking chamber: 8 nozzles sprinkler.
Fixed sprinkler closed to the heat exchanger: it is near to the pipe for the steam
production. Through this pipe the chemical reaches the nebulizer cleaning in the heat
exchanger compartment.
DETERGENT
TANK
SANITIZER
TANK
PUMP
PRESSURE
ADJUSTMENT
NON
-
RETURN
VALVE EN17171
8 INJECTORS
SPRINKLER
MIXING
TANK
COOKING CHAMBER
TO DRAIN
SIPHON
DRAIN
SOLENOID
WATER SOLENOID
WATER SUPPLY
FIXING SPRINKLER
PUMP

Table of Contents

Related product manuals