EasyManua.ls Logo

Anker SOLIX X1 - Page 44

Anker SOLIX X1
77 pages
Print Icon
To Next Page IconTo Next Page
To Next Page IconTo Next Page
To Previous Page IconTo Previous Page
To Previous Page IconTo Previous Page
Loading...
41
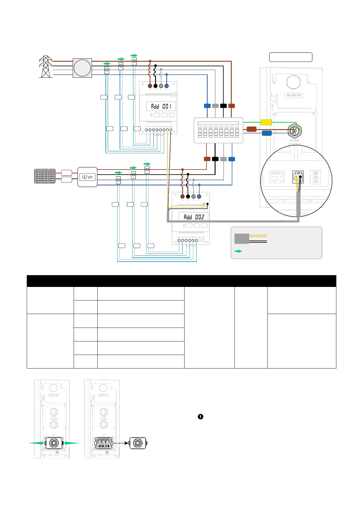
Three-Phase Connection
Figure: Three-phase wiring diagram.
Ua Ub Uc Un
13 14 16 17 19 21 24 25
1112
Ua Ub Uc Un
13 14 16 17 19 21 24 25
11 12
WLAN/4G
AC GRID
AC BACKUP
COM
AC GRID
Power Module
Grid Main Meter
Solar Panels Solar Inverter
Home Main
Panel
RS485+ (RS485A)
RS485- (RS485B)
Points towards the power module.
AC GRID
AC BACKUP
COM
AC GRID
485- (485B)485+ (485A)
CT3
IC
N
N
L3
L3
L2
L2
L1
L1
IC*
IC
IC*
IB
IB*
IB
IB*
IA
IA*
IA
IA*
CT2
CT1
CT3
CT2
CT1
13 14 16 17 19 21
Ua Ub Uc Un
Ua Ub Uc Un
1112
13 14 16 17 19 21 24 25
N
L
PV+
PV-
PE
11 12
Component Terminal
Definition Wire Size Strip Length Tube Terminal
Power module
485+ RS485 dierential signal+
Outer diameter of
5.5±0.5 mm, conductor
cross-sectional area
of 0.2-0.35 mm², not
included
10 mm
For one conductor (0.2-0.35
mm²), red, included
485- RS485 dierential signal–
Power sensor
(DTSU666)
24 RS485 dierential signal+ for address 1
For one conductor (0.2-0.35
mm²), red, included
For two conductors (0.2-0.5
mm²), yellow, included
25 RS485 dierential signal– for address 1
11 RS485 dierential signal+ for address 2
12 RS485 dierential signal– for address 2
WLAN/4G
AC GRID
AC BACKUP
COM
WLAN/4G
AC GRID
AC BACKUP
COM
Remove the wiring compartment cover by pressing
the clips on both sides.

Related product manuals