EasyManua.ls Logo

Areva MiCOM C232 - Page 13

Areva MiCOM C232
198 pages
Print Icon
To Next Page IconTo Next Page
To Next Page IconTo Next Page
To Previous Page IconTo Previous Page
To Previous Page IconTo Previous Page
Loading...
3 Operation
(continued)
C232-302-401/402/403/404-603 / C232/EN M/A23 3-133
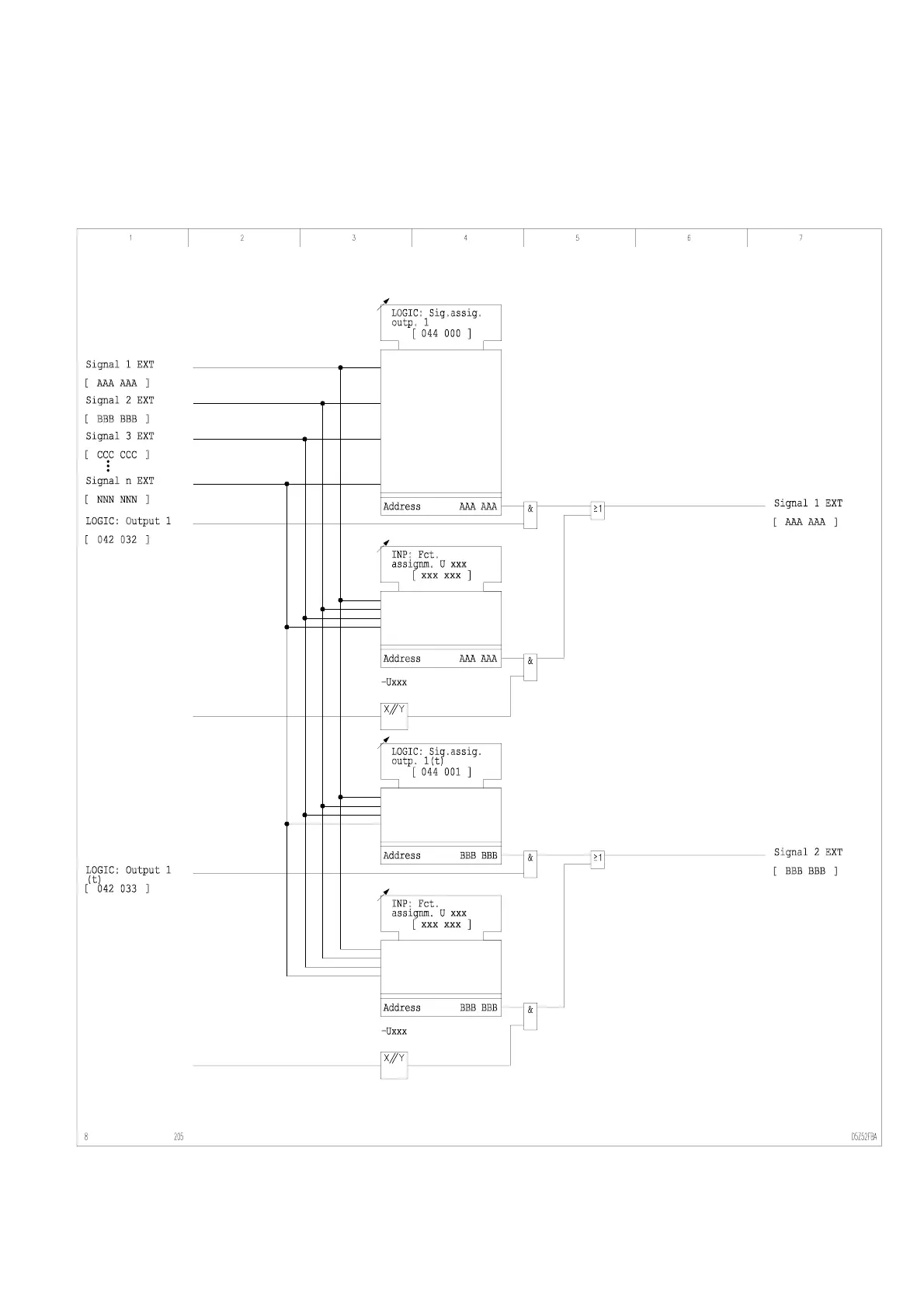
3-104 Signal assignment to outputs of Boolean equations

Table of Contents