EasyManua.ls Logo

Areva MiCOM C232 - Page 16

Areva MiCOM C232
198 pages
Print Icon
To Next Page IconTo Next Page
To Next Page IconTo Next Page
To Previous Page IconTo Previous Page
To Previous Page IconTo Previous Page
Loading...
3 Operation
(continued)
3-136 C232-302-401/402/403/404-603 / C232/EN M/A23
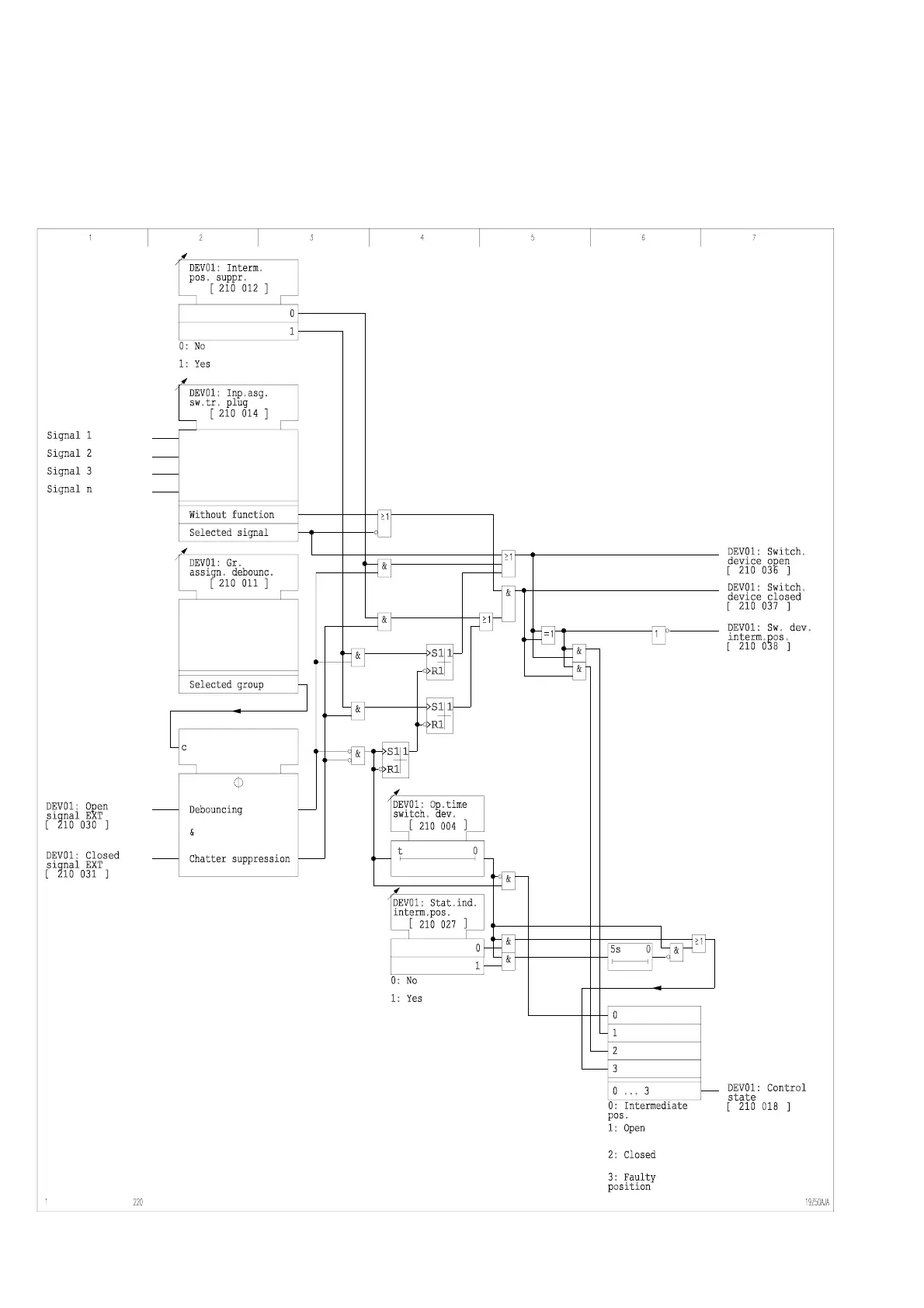
3-105 Processing of position signals for manually operated switchgear

Table of Contents