EasyManua.ls Logo

Areva MiCOM C232 - Page 18

Areva MiCOM C232
198 pages
Print Icon
To Next Page IconTo Next Page
To Next Page IconTo Next Page
To Previous Page IconTo Previous Page
To Previous Page IconTo Previous Page
Loading...
3 Operation
(continued)
3-138 C232-302-401/402/403/404-603 / C232/EN M/A23
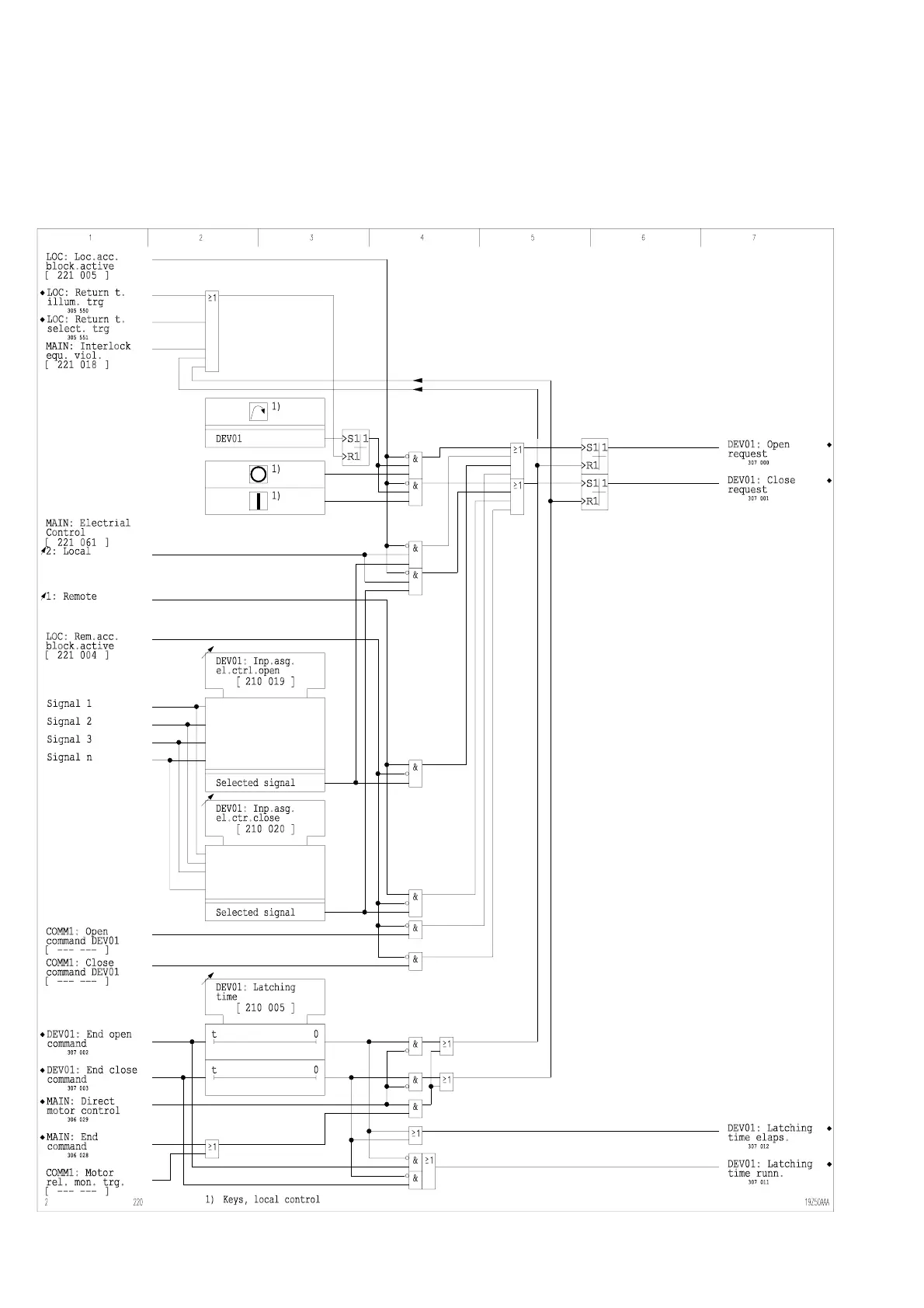
3-106 Generating the switching request

Table of Contents