EasyManua.ls Logo

Areva MiCOM C232 - Page 27

Areva MiCOM C232
198 pages
Print Icon
To Next Page IconTo Next Page
To Next Page IconTo Next Page
To Previous Page IconTo Previous Page
To Previous Page IconTo Previous Page
Loading...
3 Operation
(continued)
C232-302-401/402/403/404-603 / C232/EN M/A23 3-147
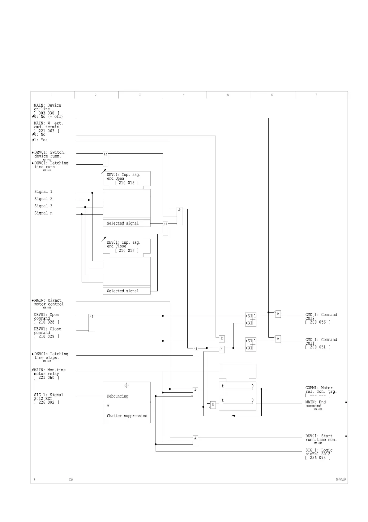
3-112 Triggering and monitoring the motor relay

Table of Contents