EasyManua.ls Logo

Areva MiCOM C232 - Page 4

Areva MiCOM C232
198 pages
Print Icon
To Next Page IconTo Next Page
To Next Page IconTo Next Page
To Previous Page IconTo Previous Page
To Previous Page IconTo Previous Page
Loading...
3 Operation
(continued)
3-124
C232-302-401/402/403/404-603 / C232/EN M/A23
22Z5135A
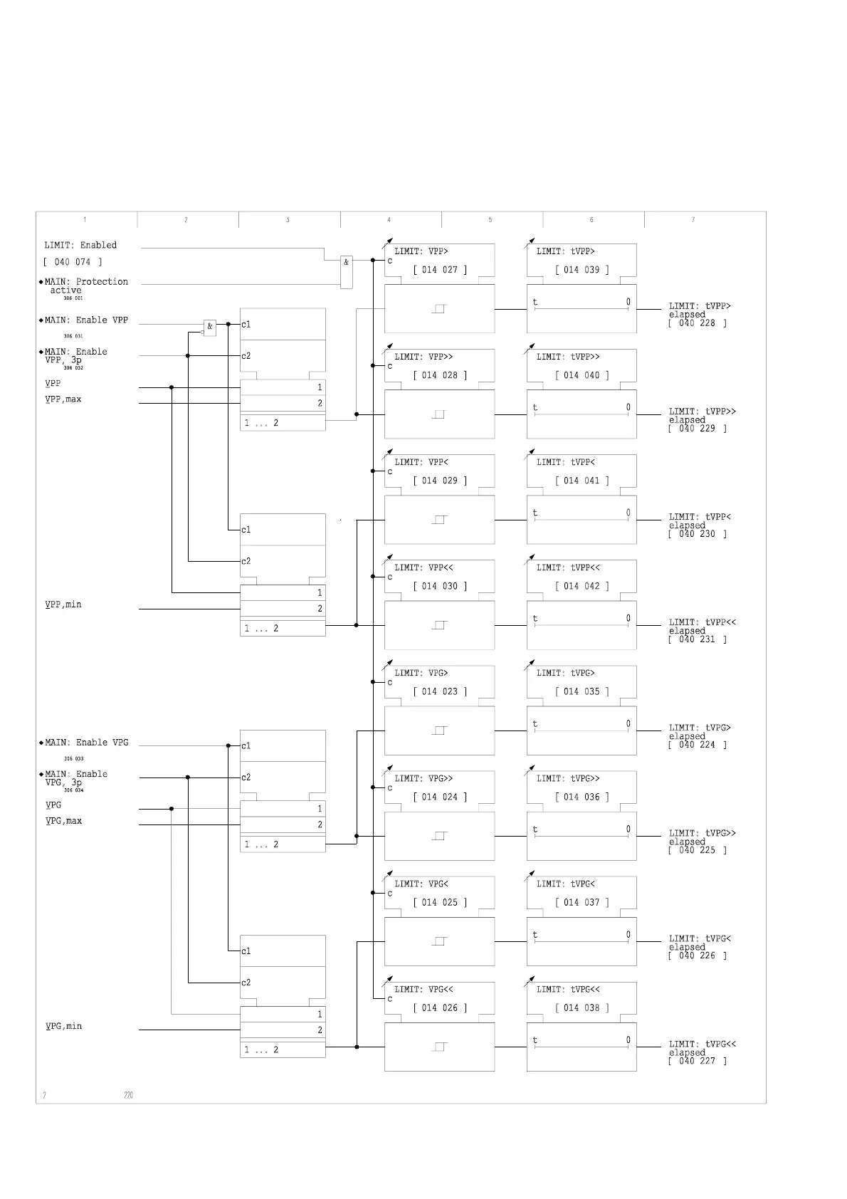
3-94 Limit value monitoring of maximum and minimum phase-to-phase voltage and maximum and minimum phase-to-ground voltage

Table of Contents