EasyManua.ls Logo

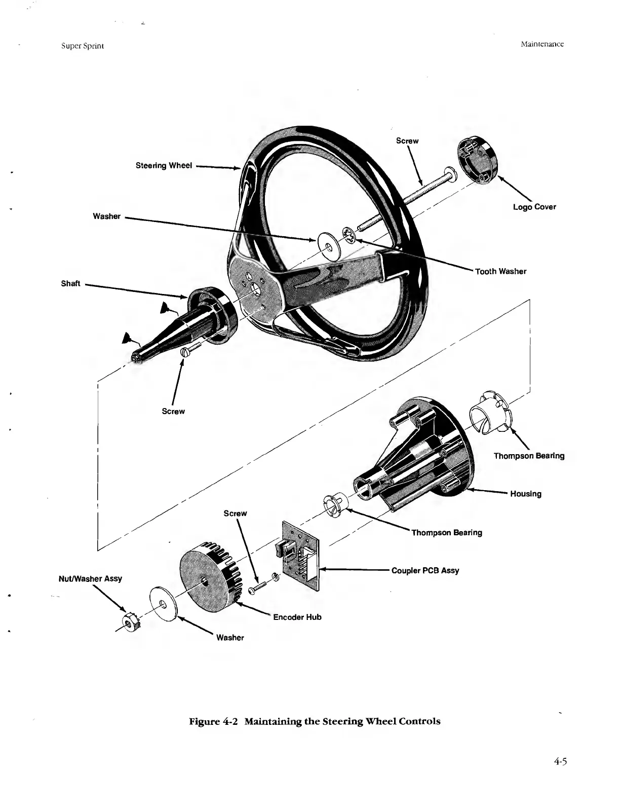
Atari SUPER SPRINT - Figure 4-2 Maintaining the Steering Wheel Controls

Atari SUPER SPRINT
80 pages
Print Icon
To Next Page IconTo Next Page
To Next Page IconTo Next Page
To Previous Page IconTo Previous Page
To Previous Page IconTo Previous Page
Loading...
Figure
4-2
Maintaining
the
Steering
Wheel
Controls

Table of Contents

Related product manuals