EasyManua.ls Logo

Automatic Technology Dominator AM800 - Page 51

Automatic Technology Dominator AM800
56 pages
Print Icon
To Next Page IconTo Next Page
To Next Page IconTo Next Page
To Previous Page IconTo Previous Page
To Previous Page IconTo Previous Page
Loading...
6
AM800, AM808 & AM888 Dominator - Manuel d'instruction
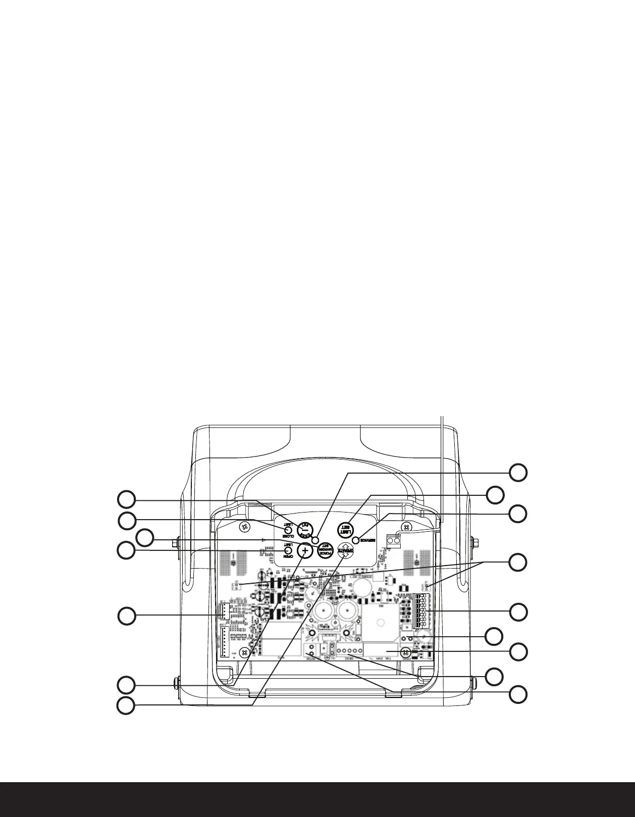
J1
3. Commandes
Fig.3.1
(1) Connecteur d'alimentation 24V
Prise utilisée pour connecter l'alimentation CA au tableau de commande.
(2) Fusible 10A
Fusible 10A protégeant le circuit électronique.
(3) Connecteur de batterie de secours SBC02
Ce connecteur sert à brancher le chargeur de batterie SBC02 au
dispositif d'ouverture.
(4) Connecteur de moteur
Le moteur 24VCC est branché à ce connecteur.
(5) Bouton OPERATE (bleu)
Pendant l'installation, le bouton Operate (marche - bleu) sert à tester
les cycles d'ouverture, d'arrêt et de fermeture du dispositif d'ouverture.
Celui-ci doit être initialisé par le bouton Limit set (limite fixée) avant que
le bouton Operate puisse être utilisé.
(6) Bouton Plus (+) (vert)
Le bouton vert Plus (+) est utilisé pendant l'installation pour définir la
position de l'ouverture maximum. Maintenez ce bouton enfoncé pour
ouvrir la porte. La porte s'arrête dès que vous relâchez le bouton.
(7) Connecteur de programmeur PG-3
L'entrée Prog permet de connecter un programmeur PG-3 pour modifier
les réglages, effectuer un diagnostic et accéder à des fonctions spéciales.
(8) LED de limite d'ouverture
La LED (verte) de limite d'ouverture clignote lorsque la porte est en
train de s'ouvrir; elle reste allumée lorsque l'ouverture maximum a été
atteinte.
(9) Bouton FORCE MARGIN SET
Forcer la marge définie - La pression de la force d'obstruction est définie
automatiquement par le dispositif d'ouverture pendant l'installation. Elle
peut être réglée manuellement au moyen du bouton Force Margin Set.
Maintenez-le enfoncé et appuyez sur le bouton Plus (+) ou Moins (-) pour
augmenter ou réduire la force exercée. La marge de force est utilisée
au cas où d'autres facteurs environnementaux (vent, etc.) influent sur le
fonctionnement de la porte ou du dispositif d'ouverture.
(10) LED de limite de fermeture
La LED (verte) de limite de fermeture clignote lorsque la porte est en
train de se fermer; elle reste allumée lorsque la fermeture maximum a
été atteinte
.
(11) Bouton Moins (-) (rouge)
Le bouton rouge Moins (-) est utilisé pendant l'installation pour
définir la position de la fermeture maximum. Maintenez ce bouton
enfoncé pour fermer la porte. La porte s'arrête dès que vous
relâchez le bouton.
(12) LED Code Set
La LED Code Set (code défini) clignote lorsqu'un code est en
cours d'enregistrement ou que vous appuyez sur un bouton de
l'émetteur.
(13) Bouton LIMIT SET
Le bouton Limit Set (limite définie) est utilisé pendant l'installation,
conjointement aux boutons d'ouverture et de fermeture, pour
définir les fins de course de la porte. Le bouton Limit Set sert
également à réinitialiser le dispositif d'ouverture.
(14) 14. LED Service
La LED Service (jaune) indique si le dispositif nécessite une
intervention ou une réparation.
(15) 15. Connecteurs du module d'éclairage
d'accompagnement
Ces connecteurs servent à connecter les LED des modules
d'éclairage d'accompagnement 24V+.
(16) Connecteur pour accessoires (J4) (borne):
V+ (+35V/+24V) sert à alimenter des accessoires tels qu'un
récepteur externe (200mA maxi).
SB1 - (obligatoire) cette entrée sert à la connexion au faisceau de
sécurité.
0V est une connexion 0volt pour le faisceau de sécurité.
SB2 - cette entrée sert à la connexion au faisceau de sécurité.
0V est une connexion 0volt pour le faisceau de sécurité.
OSC (Operate) est utilisé pour connecter un interrupteur filaire
(contact temporaire). Cet interrupteur peut alors servir à ouvrir,
arrêter ou fermer la porte. Installez l'interrupteur mural à un
emplacement où il sera hors de portée des enfants et où la porte
du garage est visible. AUX permet au dispositif d'ouverture de
commander d'autres équipements, tels qu'un système d'alarme.
1
2
3
4
16
15
14
13
12
5
6
7
8
9
10
11

Table of Contents

Related product manuals