EasyManua.ls Logo

Barrett 950 - Page 155

Default Icon
164 pages
Print Icon
To Next Page IconTo Next Page
To Next Page IconTo Next Page
To Previous Page IconTo Previous Page
To Previous Page IconTo Previous Page
Loading...
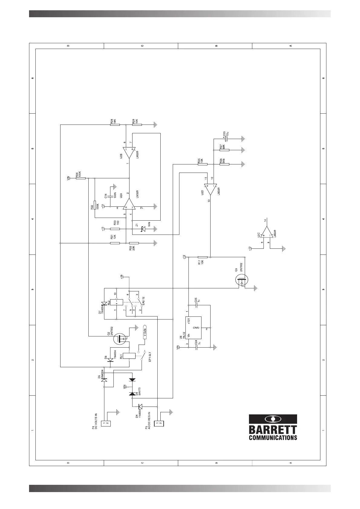
BARRETT 900 SERIES TRANSCEIVERS
940 Charge Reg. 13Ah/12V DC input PCB Schematic Barrett P/N BCA94021
940 NiMH Battery Charger
Protection Section Schematic
940D50A2
PAGE 155

Table of Contents

Related product manuals