EasyManua.ls Logo

BBK DK2810HD - Page 20

BBK DK2810HD
132 pages
Print Icon
To Next Page IconTo Next Page
To Next Page IconTo Next Page
To Previous Page IconTo Previous Page
To Previous Page IconTo Previous Page
Loading...
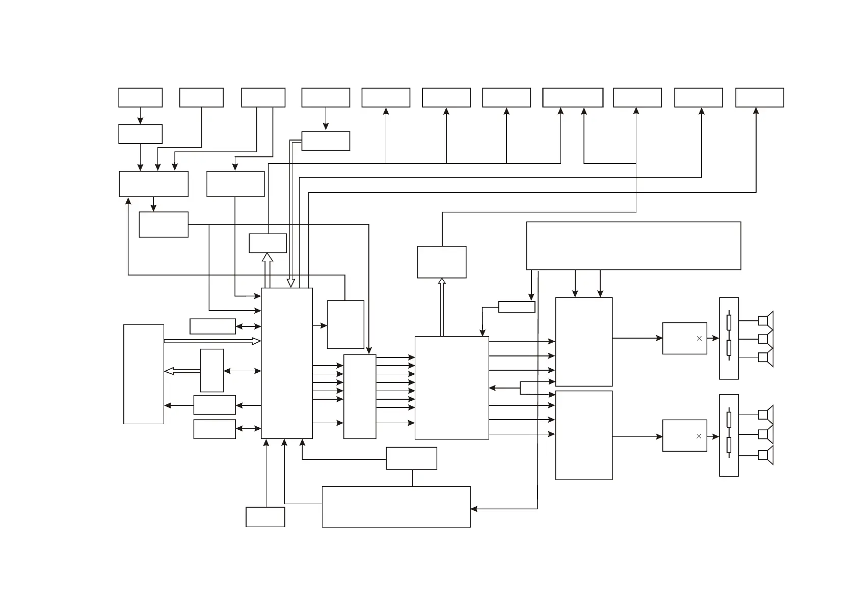
Fi
g
ur
e
3.
1
.2
.1
B
lo
ck d
ia
gra
m
o
f
the
pl
ay
e
r
MT1389S
Loader
16M ROM
Loader driving
Video output
Electronic switch
4052
TUNER
AUX_IN
Karaoke
Buffering amplify
4558
DSP processing
TAS5508PAG
Filter/Amplify
TLV272
L
R
C
SL
SR
VFD driving
button scanning
TP6317
VOL/JOG
Potentiometer
Remote control
recriver
REMOT
FL/FR/C
Power amplify
TAS5112DFD
SL/SR/SW
Power amplify
TAS5112DFD
Low pass 3
Low pass 3
Power supply
MIC1/MIC2
MIC
AUXL/AUXR
TU_L/TU_R
FL/FR/C
SL/SR/SW
SW
IR
J3
J4
3.3V
P+28V
A5V/3.3V
P+28V
Matched impedence
47K
Optical/coaxial
input
I/O expand
PCF8575DW
RDS_MPX
Digital audio
receiving Cs8415A
AUDIO ADC
CS5340
L/R
RDS decode
Pt2597
RDDA
QUAL
RDCL
SDA_DA
Composite video
Progressive/comp
onent output
S terminal
SCART
L/R OUT
Optical/coaxial
output
HDMI output
VIDEO_COMP
Cr/Pr
Cb/Pb
Y
VIDEO_COMP
VIDEO_C
VIDEO_Y
VIDEO
L/R
ROUTX
LOUTX
SPDIF
TX2+
TX2-
TX1+
TX1-
TX0+
TX0-
TXC+
TXC-
HDMI SCL
HDMI SDA
HPD
USB_CE
INT
SCMUTE
USB_CON1
USB_CON
8415_RST
5508_RST
HSYNC
VSYNC
VDATA3
AUIN_SL1
AUIN_SL0
AUDIO_RST
PMW_RL+
PMW_RL-
PMW_RR+
PMW_RR-
PMW_H_PL
PMW_H_ML
PMW_H_PR
PMW_H_MR
SDOUT
servo driving
AM5888S
SDRAM
64M
Focus, track
feed, main axis
Digital servo processing
MPEG Decode
AUIN_SL0/AUIN_SL1
SCL
SDA
DGND
FL+
FL-
-21V
CPU5V
STBY
A+9V
A+5V
AGND
A-9V
DGND
D+5V
AGND
P+28V
PGND
KA1M0880BTU
NCP1200P60
CLK
STB
SDA
CLK
STB
SDA
IR
DGND
FL+
FL-
-21V
CPIU5V
STBY
ASDAT0
ASDAT1
ASDAT2
SBCLK
SLRCK
SDA_AD
SDA_LR
SDA_SLSR
SDA_CSW
LRCK
SLCK
SDA_AD
SACLK MCLK
VAILD/SD
PWM_FL
PWM_FR
PWM_C
PWM_SL
PWM_SR
PWM_SW
-
1
6
-

Related product manuals