EasyManua.ls Logo

Bender AGH675S-7 - Diagram Menu Structure

Bender AGH675S-7
76 pages
Print Icon
To Next Page IconTo Next Page
To Next Page IconTo Next Page
To Previous Page IconTo Previous Page
To Previous Page IconTo Previous Page
Loading...
Operation and setting
35
IRDH275BM-7_D00123_06_M_XXEN/07.2018
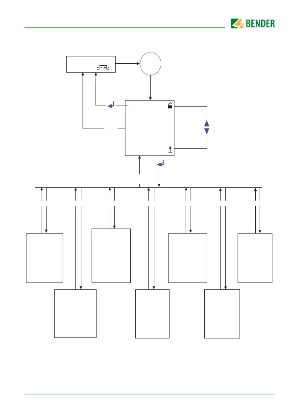
5.2.1 Diagram menu structure
1. EXIT
2. HISTORY INFO
3. ISO SETUP
4. ISO ADVANCED
5. COM SETUP
6. PASSWORD
7. LANGUAGE
8. SERVICE
1. Exit
2. AGH : 675S-7
3. Ce max: 2 µF
4. Measure: AMP
5. Autotest: 24h
6. Clock: 19:08
7. Date: 01.01.04
8. Test: 12:00
1. Exit
2. Alarm1: 002 MW
3. Alarm2: 100 kW
4. K1 : N.O
5. K2 : N.O
6. Memory: on
7. M+/M-: 0-20 mA
Nr.: 01 #Nr.: 02
Power on
1. Exit
2. Addr: 003
Insert Service
Password: XXX
ISO ADVANCEDISO SETUPHISTORY INFO COM SETUP SERVICE
1. Exit
2. Password: XXX
3. Status: off
PASSWORD
1. Exit
2. Text: Deutsch
LANGUAGE
ESC
*** IT-SYSTEM ***
R >010 MW H
ESC
MENU

Table of Contents

Related product manuals