EasyManua.ls Logo

Bender AGH675S-7 - Page 68

Bender AGH675S-7
76 pages
Print Icon
To Next Page IconTo Next Page
To Next Page IconTo Next Page
To Previous Page IconTo Previous Page
To Previous Page IconTo Previous Page
Loading...
Technical data IRDH275BM-7 with AGH675S-7…
68
IRDH275BM-7_D00123_06_M_XXEN/07.2018
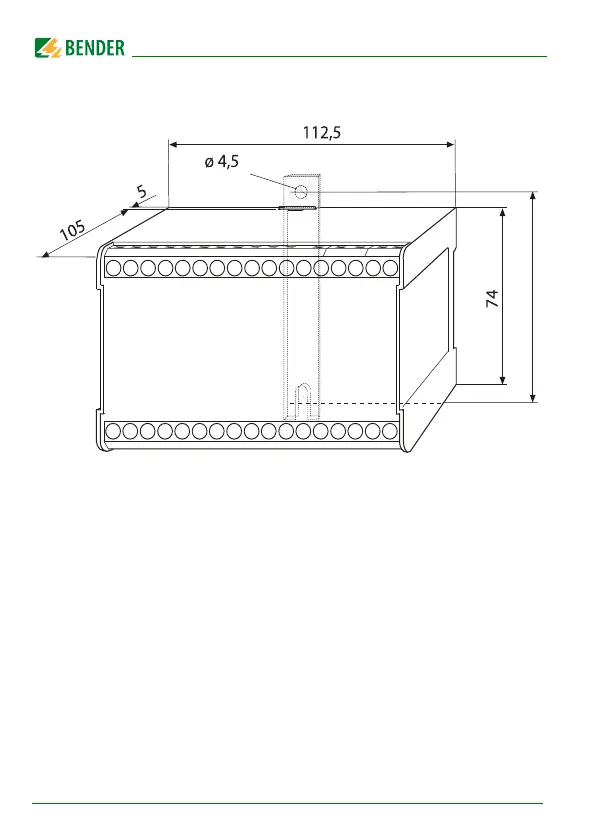
Dimension diagram enclosure IRDH275
All dimensions in mm
 DIN rail mounting according to IEC 60715
or
 Screw mounting
by means of a plug-in trapezoidal support
Order No.: 990056
83

Table of Contents

Related product manuals