EasyManua.ls Logo

BIO-MED DEVICES CROSSVENT-3+ - B- Schematics; 1- Pneumatic Schematics

BIO-MED DEVICES CROSSVENT-3+
98 pages
Print Icon
To Next Page IconTo Next Page
To Next Page IconTo Next Page
To Previous Page IconTo Previous Page
To Previous Page IconTo Previous Page
Loading...
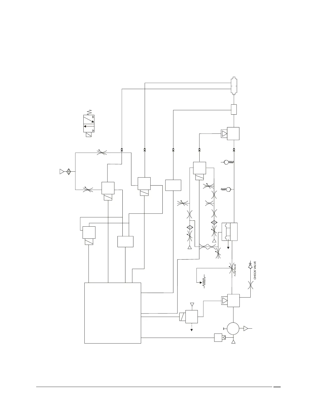
X. PARTS LIST AND SCHEMATIC DIAGRAMS- cont.
69
6969
69
B
BB
B-
--
- S
S S
SCHEMATICS
CHEMATICSCHEMATICS
CHEMATICS
1
11
1-
--
- PNEUMATIC SCHEMATICS
PNEUMATIC SCHEMATICS PNEUMATIC SCHEMATICS
PNEUMATIC SCHEMATICS
SOLENOID
VALVE
SOLENOID
VALVE
SOLENOID
VALVE
SOLENOID
VALVE
PILOT
VALVE
D.A.R.V.
ATM.
PNEUMOTACH
PAT IENT
PEEP
MAX PRESSURE
B
A
REG.
PS3
PS4
FAILSAFE
RELIEF VALVE
VACUUM
RELIEF VALVE
EXH. VALVE
POTENTIOMETER
MICROPROCESSOR
CONTROL
CIRCUITRY
D1
D3
D2
SUPPLY PRESSURE
SENSING SWITCH
3
1
2
TYPICAL SOLENOID
ARROW NOT INDICATIVE OF
DIRECTION OF FLOW
2
1
2
2
3
1
3
1
ATM.
1
2
3
ATM.= ATMOSHERE
AIRWAY PRESSURE

Table of Contents

Related product manuals