EasyManua.ls Logo

BIO-MED DEVICES CROSSVENT-3+ - 3- Circuit Schematics

BIO-MED DEVICES CROSSVENT-3+
98 pages
Print Icon
To Next Page IconTo Next Page
To Next Page IconTo Next Page
To Previous Page IconTo Previous Page
To Previous Page IconTo Previous Page
Loading...
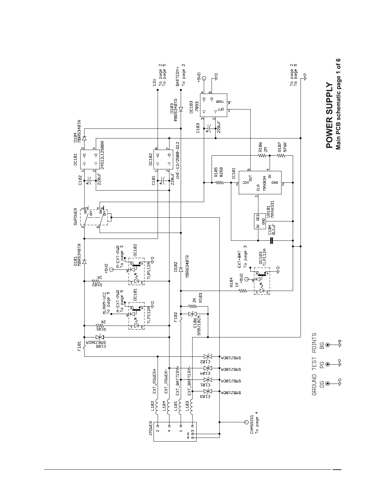
X. PARTS LIST AND SCHEMATIC DIAGRAMS- cont.
72
7272
72
3
33
3-
--
- CIRCUIT SCHEMATICS
CIRCUIT SCHEMATICS CIRCUIT SCHEMATICS
CIRCUIT SCHEMATICS

Table of Contents

Related product manuals