EasyManua.ls Logo

BIO-MED DEVICES CROSSVENT-3+ - Page 82

BIO-MED DEVICES CROSSVENT-3+
98 pages
Print Icon
To Next Page IconTo Next Page
To Next Page IconTo Next Page
To Previous Page IconTo Previous Page
To Previous Page IconTo Previous Page
Loading...
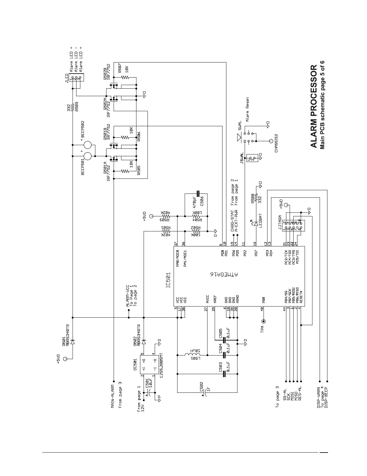
X. PARTS LIST AND SCHEMATIC DIAGRAMS- cont.
76
7676
76

Table of Contents

Related product manuals