EasyManua.ls Logo

BMW Z3 E37 1998 - Page 88

BMW Z3 E37 1998
347 pages
Print Icon
To Next Page IconTo Next Page
To Next Page IconTo Next Page
To Previous Page IconTo Previous Page
To Previous Page IconTo Previous Page
Loading...
paragon.myvnc.com
04/99
1210.20
1998
4420 78 30 8546 X6000
1210.20-00
27
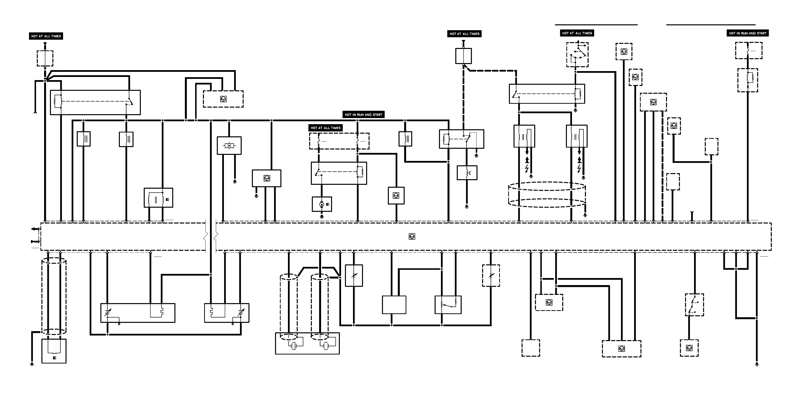
K6300
ENGINE CONTROL
MODULE RELAY
T6151
CYL. 1 IGNITION
COIL
T6152
CYL. 2 IGNITION
COIL
S2
IGNITION
SWITCH
1210.20-03
31
Y6101
CYL. 1 FUEL
INJECTION VALVE
Y6102
CYL. 2 FUEL
INJECTION VALVE
Y6103
CYL. 3 FUEL
INJECTION VALVE
Y6104
CYL. 4 FUEL
INJECTION VALVE
1210.20-01
26
1210.20-02
RXD
TXD
87
88
R6252
THROTTLE
POSITION
SENSOR
1210.20-05
B6205
INTAKE AIR
TEMPERATURE
SENSOR
1210.20-05
B6203
CRANKSHAFT
POSITION/RPM
SENSOR
1210.20-04
B62001
OXYGEN SENSOR
(IN FRONT OF
CATALYTIC
CONVERTER)
1210.20-04
Y6131
INTAKE AIR RES-
ONANCE CHANGE-
OVER VALVE
Y6120
EVAPORATIVE
EMISSION VALVE
Y6263
FUEL CHANGE-
OVER VALVE
1210.20-09
66
A8500
TRANSMISSION
CONTROL MODULE
(EGS)
1210.20-06
A6000
ENGINE CONTROL
MODULE (DME)
50
T6153
CYL. 3 IGNITION
COIL
T6154
CYL. 4 IGNITION
COIL
1210.20-03
23
X6000
NS
D100
DATA LINK
CONNECTOR
X6000
86
28
53
X6000
54
A8500
TRANSMISSION
CONTROL MODULE
(EGS)
1210.20-00
11
1210.20-08
S221
EVAPORATOR
CONTROLLER
1210.20-08
B9508
PRESSURE
SWITCH
1210.20-06
S36y
DOUBLE
TEMPERATURE
SWITCH
68
1210.20-06
K21
NORMAL SPEED
RELAY
57
G6430
B+ JUMP START
JUNCTION POINT
1210.20-00
Y6130
IDLE SPEED
CONTROL VALVE
1210.20-01
29 X60002
+
-
+
-
B6209
HALL EFFECT CAM-
SHAFT SENSOR
1210.20-04
B6217
HOT FILM AIR
MASS METER
45
1210.20-06
1721
F18
15A
P90
FRONT POWER
DISTRIBUTION BOX
M2
FUEL PUMP
K6301w
FUEL PUMP RELAY
1210.20-02
1210.20-02
F13
5A
63
1210.20-02
65
64
K6326
UNLOADER RELAY,
TERMINAL 15
1210.20-02
1210.20-05
A836
ELECTRONIC
IMMOBILIZER CONTROL
MODULE (EWS II)
10
A35y
BOARD COMPUTER
(BC LOW)
83 8
A2w
INSTRUMENT
CLUSTER
42 80
1210.20-08
S220
AIR CONDITION-
ING/RECIRCULAT-
ING SWITCH
ASSEMBLY
69
1210.20-08
S221
EVAPORATOR
CONTROLLER
F16
5A
P90
FRONT POWER
DISTRIBUTION BOX
1210.20-08
36
K19
COMPRESSOR
CONTROL RELAY
1210.20-08
86
85
19 177
B6240
KNOCK SENSOR
1210.20-05
4070 71
B62002
OXYGEN SENSOR
(BEHIND
CATALYTIC
CONVERTER)
1210.20-04
74
B6232
ENGINE COOLANT
TEMPERATURE
SENSOR
1210.20-05
34 55 6
79
A52
SLIP CONTROL
MODULE
(ABS/ASC)
1210.20-06
32
3
G6430
B+ JUMP START
JUNCTION POINT
1210.20-09
1210.20-05
1210.20-07
1210.20-06
4
61
58
1210.20-01
B6247
CHARCOAL FILTER
SHUTOFF VALVE
1210.20-02
56
49 22
Y6163
SECONDARY AIR
PUMP VALVE
1210.20-09
K6304
SECONDARY AIR
PUMP RELAY
B65
FUEL TANK
PRESSURE
SENSOR
1210.20-05
72
Y6133
AIR PUMP
1210.20-09
1210.20-02
1210.20-09
60
D100
DATA LINK
CONNECTOR
16
1210.20 ENGINE CONTROL SYSTEM (DME M5.2, 4CYLINDER M44)

Related product manuals